
KDS晶振,DSV753HK晶振,壓控差分晶振。日本株式會社KDS晶振不斷努力為我們的客戶在日本國內外提供世界一流的質量和滿意程度高.所生產石英晶體,陶瓷晶振,聲表面諧振器,有源晶振等器件遍布全球,包括美國、英國、德國,到中國,新加坡,泰國和其他亞洲國家.以“依賴”為公司方針,以客戶為導向,創新高效的經營管理,努力創造利潤,履行企業社會責任.世界上最薄的溫補晶振封裝,因產品性能穩定,精度高等優勢,被廣泛應用到一些比較高端的數碼通訊產品領域,GPS全球定位系統,智能手機,WiMAX和蜂窩和無線通信等產品,符合RoHS/無鉛.
|
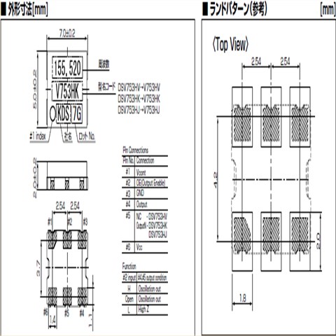
型號 |
DSV753HK晶振(VCXO) |
|
|
輸出頻率范圍 |
170~350MHz |
|
|
標準頻率 |
19.2MHz/26MHz/38.4MHz/40MHz/52MHz |
|
|
電源電壓范圍 |
+1.68~+3.5V |
|
|
電源電壓(Vcc) |
+3.3V |
|
|
消耗電流 |
+25mA max.(f≦26MHz)/+2.0mA max.(26<f≦52MHz)/+2.5mA max.(f≦60MHz) |
|
|
待機時電流 |
- |
|
|
輸出電壓 |
0.8Vp-p min.(f≦52MHz)(削峰正弦波/DC-coupled) |
|
|
輸出負載 |
10kΩ//10pF |
|
|
頻率穩定度 |
常溫偏差 |
±1.5×10-6max.(After 2 reflows) |
|
溫度特性 |
±1.0×10-6,±2.5×10-6max./-30~+85℃ |
|
|
電源電壓特性 |
±0.2×10-6max.(VCC±5%) |
|
|
負載變化特性 |
±0.2×10-6max.(10kΩ//10pF±10%) |
|
|
長期變化 |
±1.0×10-6max./year |
|
|
頻率控制
|
控制靈敏度 |
±3.0×10-6~±5.0×10-6/Vcont=+1.4V±1V @VCC≧+2.6V |
|
頻率控制極性 |
正極性 |
|

機械振動的影響
當石英晶體產品上存在任何給定沖擊或受到周期性機械振動時,比如:壓電揚聲器,壓電蜂鳴器,以及喇叭等,輸出頻率和幅度會受到影響。這種現象對通信器材通信質量有影響。盡管晶體產品設計可最小化這種機械振動的影響,我們推薦事先檢查并按照下列安裝指南進行操作。
自動安裝時的沖擊
自動安裝和真空化引發的沖擊會破壞產品特性并影響這些產品。請設置安裝條件以盡可能將沖擊降至最低,并確保在安裝前未對產品特性產生影響。條件改變時,請重新檢查安裝條件。同時,在安裝前后,請確保晶體產品未撞擊機器或其他電路板等。
操作
使用環境(溫度和濕度)
晶體單元/諧振器
激勵功率
在晶體單元上施加過多驅動力,會導致石英晶體諧振器產品特性受到損害或破壞。電路設計必須能夠維持適當的激勵功率 (請參閱“激勵功率”章節內容)。
日本大真空株式會社KDS晶振將:
1.KDS晶振集團將確保其產品及相關設施滿足甚至超出國家的、州立的以及地方環保機構的相關法規規定及其他要求,同時該公司盡可能的參與并協助政府機關和其他官方組織從事的環保活動。
2. 在地方對各項設施的管理責任中,確保滿足方針的目標指標,同時在各種經營與生產活動中完全遵守并符合現行所有標準規范的要求。
3.KDS集團將有效率的使用自然資源和能源,以便從源頭減少廢物產生和排放。我們將在關注于預防環境和安全事故.
4.環境政策,在其業務活動的所有領域,從開發、生產和銷售的壓電石英晶體元器件、石英晶體諧振器、有源晶體、壓電陶瓷諧振器,大真空集團業務政策促進普遍信任的環境管理活動.
5.KDS晶振集團認識到進行環境管理和資源保持的責任和必要性,同時也認識到針對全球環境問題,為保持國際環境而進行各行業建設性的合作是極其重要的。
6.推進晶振,7050晶振, 壓電石英晶體、有源晶體等元器件的環保型業務,充分發揮綜合實力,推進環保型業務,為減輕社會的環境負荷做出貢獻.
7.過去KDS晶振集團已經針對重大污染控制項目建立了一整套記錄程序并且將繼續識別解決其自身環境污染及保持問題,加強責任感以便進行環境績效的持續改進。KDS晶振,DSV753HK晶振,壓控差分晶振

KDS晶振,貼片晶振,DSV753SD晶振
EPSON晶振,EG-2002CA晶振,SAW振蕩器,EG-2002CA 125.0000M-PCHL3
EPSON晶振,EG-2101CA晶振,聲表面濾波器,EG-2101CA 62.500M-DCHL3
EPSON晶振,SAW振蕩器,XG-1000CA/CB晶振
EPSON晶振,SAW振蕩器,XG-2121CA晶振,XG-2102CA晶振
EPSON晶振,TG5032CFN晶振,有源貼片晶振


