車載導航晶振,XFN336148.500000I,Renesas低功耗振蕩器,Renesas瑞薩電子晶振,XF系列晶振,編碼為:XFN336148.500000I,頻率為:148.500MHz,小型外形尺寸:3.2x2.5x0.95mm封裝,HCSL輸出差分晶振,8腳貼片晶振,石英晶振,有源晶振,差分晶體振蕩器,3225晶振,SMD晶振,電源電壓:3.3V,工作溫度范圍:-40℃至+85℃。具超小型,輕薄型,低抖動,低功耗,低相位噪聲,低電壓,高精度,高性能,高品質,優異的環境性能特點。被廣泛應用于:移動通訊設備,物聯網,機頂盒、光端機、路由器,交換機、儀器儀表設備、光纖通信,無線網絡,藍牙模塊,安防設備,以太網等應用。
進口晶振XF器件是超低相位噪聲石英基PLL振蕩器,支持大范圍的頻率和輸出接口類型。XF設備被設計為操作在三種不同的電源與幾種針形配置,以及兩個操作溫度范圍。XF設備可以被編程以產生從15MHz到2100MHz的輸出頻率,其分辨率可低至1Hz的精度。該系列設備的配置能力允許樣品和大型生產訂單的快速交付時間。零件在工廠為固定頻率應用進行一次性編程(OTP),或可根據系統需要使用I2C進行現場編程(參見引腳描述下的說明)。
車載導航晶振,XFN336148.500000I,Renesas低功耗振蕩器,參數表
| Parameter | TestCondition | Minimum | Typical | Maximum | Units | |
| OutputFrequencyRange | LVDS,LVPECL,CML. |
|
148.500 |
|
MHz | |
| HCSL. | 15 | — | 725 | |||
| FrequencyStability | Temperature=-40°Cto+85°C. | — | — | ±25 | ppm | |
| Temperature=-40°Cto+105°C. | — | — | ±50 | ppm | ||
| FrequencyTolerance(25°C) | Temperature=25°C. | — | — | ±15 | ppm | |
| Aging(1styear) | TA=25°C. | — | — | ±3 | ||
| Aging(10years) | TA=25°C. | — | — | ±10 | ||
| OutputLoad | LVDS. | Differential. | — | 100 | — | Ω |
| LVPECL. | VDD-2.0V. | — | 50 | — | ||
| HCSL. | ToGND. | — | 50 | — | ||
| Start-upTime | Output valid time after VDD meets minimum specified level. | — | 5 | — | ms | |
| OutputRiseTime | LVDS. | 20% – 80%, 156.25MHz | — | 303 | 400 | ps |
| LVPECL. | — | 292 | 400 | |||
| HCSL. | — | 310 | 400 | |||
| CML | — | 304 | 400 | |||
| OutputFallTime | LVDS. | 80% – 20%, 156.25MHz | — | 282 | 400 | ps |
| LVPECL. | — | 278 | 400 | |||
| HCSL. | — | 288 | 400 | |||
| CML | — | 281 | 400 | |||
| OutputClockDutyCycle | LVDS. | 156.25MHz | 48 | — | 52 | % |
| LVPECL. | 156.25MHz | 48 | — | 52 | ||
| HCSL. | 156.25MHz | 48 | — | 52 | ||
| CML | 156.25MHz | 48 | — | 52 | ||
| OutputEnable/DisableTime | — | — | — | 1 | — | ms |
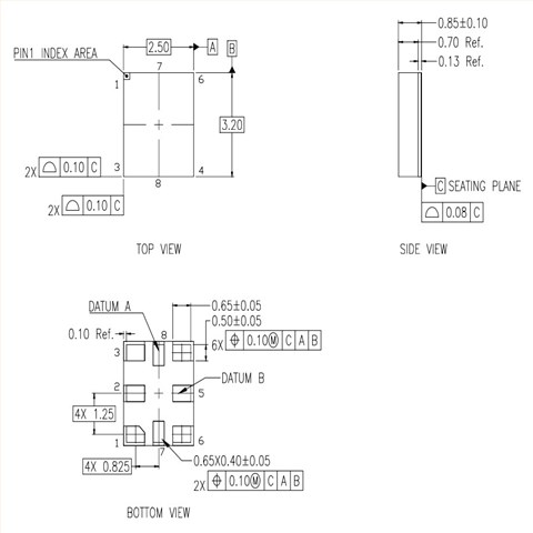
車載導航晶振,XFN336148.500000I,Renesas低功耗振蕩器,尺寸圖
車載導航晶振,XFN336148.500000I,Renesas低功耗振蕩器
產品特點:
輸出類型:LVDS、LVPECL、CML差分晶振
頻率范圍:15MHz至2100MHz
輸出類型:HCSL
頻率范圍:15MHz至725MHz
電源電壓選項:1.8V、2.5V或3.3V
相位抖動(12kHz至20MHz):典型值為120fs
程序包選項:5.0×3.2mm,3.2×2.5mm,2.5×2.0mm
工作溫度和頻率穩定性:
-40°C至+85°C,±25ppm
-40°C至+105°C,±50ppm
| 編碼 | 晶振廠家 | 描述 | 系列 | 頻率 | 輸出 | 電壓 |
| XFC236156.250000I | Renesas晶振 | XTAL OSC XO 156.2500MHZ CML SMD | XFC | 156.25 MHz | CML | 3.3V |
| XFP236625.000000I | Renesas晶振 | XTAL OSC XO 625.0000MHZ LVPECL | XFP | 625 MHz | LVPECL | 3.3V |
| XFP236312.500000I | Renesas晶振 | XTAL OSC XO 312.5000MHZ LVPECL | XFP | 312.5 MHz | LVPECL | 3.3V |
| XFP536625.000000I | Renesas晶振 | 625.000000 MHZ 3.3VDC LVPECL 503 | XFP | 625 MHz | LVPECL | 3.3V |
| XFN516100.000000I | Renesas晶振 | 100.000000 MHZ 1.8VDC HCSL 5032 | XFN | 100 MHz | HCSL | 1.8V |
| XFP236156.250000I | Renesas晶振 | XTAL OSC XO 156.2500MHZ LVPECL | XFP | 156.25 MHz | LVPECL | 3.3V |
| XFP235156.250000K | Renesas晶振 | DFN 2.00X2.50X1.00 MM, 0.40MM PI | XFP | 156.25 MHz | LVPECL | 3.3V |
| XFN336100.000000I | Renesas晶振 | 100.000000 MHZ 3.3VDC HCSL 3225 | XFN | 100 MHz | HCSL | 3.3V |
| XFP336312.500000I | Renesas晶振 | 312.500000 MHZ 3.3VDC LVPECL 322 | XFP | 312.5 MHz | LVPECL | 3.3V |
| XFP236148.500000I | Renesas晶振 | DFN 2.00X2.50X1.00 MM, 0.40MM PI | XFP | 148.5 MHz | LVPECL | 3.3V |
| XFN236100.000000I | Renesas晶振 | DFN 2.00X2.50X1.00 MM, 0.40MM PI | XFN | 100 MHz | HCSL | 3.3V |
| XFP526156.250000I | Renesas晶振 | XTAL OSC XO 156.2500MHZ LVPECL | XFP | 156.25 MHz | LVPECL | 2.5V |
| XFP536025.000000I | Renesas晶振 | XTAL OSC XO 25.0000MHZ LVPECL | XFP | 25 MHz | LVPECL | 3.3V |
| XFP336161.132812I | Renesas晶振 | XTAL OS XO 161.132812MHZ LVPECL | XFP | 161.132812 MHz | LVPECL | 3.3V |
| XFP536156.250000I | Renesas晶振 | XTAL OSC XO 156.2500MHZ LVPECL | XFP | 156.25 MHz | LVPECL | 3.3V |
| XFC516025.000000I | Renesas晶振 | XTAL OSC XO 25.0000MHZ CML SMD | XFC | 25 MHz | CML | 1.8V |
| XFP216025.000000I | Renesas晶振 | DFN 2.00X2.50X1.00 MM, 0.40MM PI | XFP | 25 MHz | LVPECL | 1.8V |
| XFN236156.250000I | Renesas晶振 | DFN 2.00X2.50X1.00 MM, 0.40MM PI | XFN | 156.25 MHz | HCSL | 3.3V |
| XFN216100.000000I | Renesas晶振 | DFN 2.00X2.50X1.00 MM, 0.40MM PI | XFN | 100 MHz | HCSL | 1.8V |
| XFP236161.132812I | Renesas晶振 | DFN 2.00X2.50X1.00 MM, 0.40MM PI | XFP | 161.132812 MHz | LVPECL | 3.3V |
| XFP226156.250000I | Renesas晶振 | DFN 2.00X2.50X1.00 MM, 0.40MM PI | XFP | 156.25 MHz | LVPECL | 2.5V |
| XFP216625.000000I | Renesas晶振 | DFN 2.00X2.50X1.00 MM, 0.40MM PI | XFP | 625 MHz | LVPECL | 1.8V |
| XFN216161.132812I | Renesas晶振 | DFN 2.00X2.50X1.00 MM, 0.40MM PI | XFN | 161.132812 MHz | HCSL | 1.8V |
| XFP216156.250000I | Renesas晶振 | XTAL OSC XO 156.2500MHZ LVPECL | XFP | 156.25 MHz | LVPECL | 1.8V |
| XFN236025.000000I | Renesas晶振 | XTAL OSC XO 25.0000MHZ HCSL SMD | XFN | 25 MHz | HCSL | 3.3V |
| XFC226156.250000I | Renesas晶振 | XTAL OSC XO 156.2500MHZ CML SMD | XFC | 156.25 MHz | CML | 2.5V |
| XFC216837.500000I | Renesas晶振 | XTAL OSC XO 837.5000MHZ CML SMD | XFC | 837.5 MHz | CML | 1.8V |
| XFP336048.000000I | Renesas晶振 | XTAL OSC XO 48.0000MHZ LVPECL | XFP | 48 MHz | LVPECL | 3.3V |
| XFP336156.253906I | Renesas晶振 | XTAL OS XO 156.253906MHZ LVPECL | XFP | 156.253906 MHz | LVPECL | 3.3V |
| XFW536156.250000I | Renesas晶振 | XFW536156.25000 PROGRAMMABLE XO | XFW | - | - | - |
| XFP536045.158400I | Renesas晶振 | XTAL OSC XO 45.1584MHZ LVPECL | XFP | 45.1584 MHz | LVPECL | 3.3V |
| XFN336212.500000I | Renesas晶振 | XTAL OSC XO 212.5000MHZ HCSL SMD | XFN | 212.5 MHz | HCSL | 3.3V |
| XFP316156.250000I | Renesas晶振 | XTAL OSC XO 156.2500MHZ LVPECL | XFP | 156.25 MHz | LVPECL | 1.8V |
| XFX536100.000000I | Renesas晶振 | XFX536100.00000 PROGRAMMABLE XO | XFX | - | - | - |
| XFP23C156.250000I | Renesas晶振 | XFP23C156.25000 PROGRAMMABLE XO | XFP | - | - | - |
| XFP536750.000000I | Renesas晶振 | XTAL OSC XO 750.0000MHZ LVPECL | XFP | 750 MHz | LVPECL | 3.3V |
| XFP326100.000000I | Renesas晶振 | XTAL OSC XO 100.0000MHZ LVPECL | XFP | 100 MHz | LVPECL | 2.5V |
| XFZ536100.000000I | Renesas晶振 | XFZ536100.00000 PROGRAMMABLE XO | XFZ | - | - | - |
| XFP336125.000000I | Renesas晶振 | XTAL OSC XO 125.0000MHZ LVPECL | XFP | 125 MHz | LVPECL | 3.3V |
| XFC536100.000000I | Renesas晶振 | XTAL OSC XO 100.0000MHZ CML SMD | XFC | 100 MHz | CML | 3.3V |
| XFP336050.000000I | Renesas晶振 | XTAL OSC XO 50.0000MHZ LVPECL | XFP | 50 MHz | LVPECL | 3.3V |
| XFP536100.000000I | Renesas晶振 | XTAL OSC XO 100.0000MHZ LVPECL | XFP | 100 MHz | LVPECL | 3.3V |
| XFP326025.000000I | Renesas晶振 | XTAL OSC XO 25.0000MHZ LVPECL | XFP | 25 MHz | LVPECL | 2.5V |
| XFP336156.250000I | Renesas晶振 | XTAL OSC XO 156.2500MHZ LVPECL | XFP | 156.25 MHz | LVPECL | 3.3V |
| XFC536272.800000I | 振蕩器 | XTAL OSC XO 272.8000MHZ CML SMD | XFC | 272.8 MHz | CML | 3.3V |
| XFN536156.250000I | Renesas晶振 | XTAL OSC XO 156.2500MHZ HCSL SMD | XFN | 156.25 MHz | HCSL | 3.3V |
| XFN536100.000000I | Renesas晶振 | XTAL OSC XO 100.0000MHZ HCSL SMD | XFN | 100 MHz | HCSL | 3.3V |
| XFY536100.000000I | Renesas晶振 | XFY536100.00000 PROGRAMMABLE XO | XFY | - | - | - |
| XFP326715.033000I | Renesas晶振 | XTAL OSC XO 715.0330MHZ LVPECL | XFP | 715.033 MHz | LVPECL | 2.5V |
| XFP336025.235849I | Renesas晶振 | XTAL OSC XO 25.235849MHZ LVPECL | XFP | 25.235849 MHz | LVPECL | 3.3V |
| XFP21C156.250000I | Renesas晶振 | XFP21C156.25000 PROGRAMMABLE XO | XFP | - | - | - |
| XFN216033.333300I | Renesas晶振 | XTAL OSC XO 33.3333MHZ HCSL SMD | XFN | 33.3333 MHz | HCSL | 1.8V |
| XFN236050.000000I | Renesas晶振 | XTAL OSC XO 50.0000MHZ HCSL SMD | XFN | 50 MHz | HCSL | 3.3V |
| XFP326312.500000I | Renesas晶振 | XTAL OSC XO 312.5000MHZ LVPECL | XFP | 312.5 MHz | LVPECL | 2.5V |
| XFC23C850.053267K | Renesas晶振 | DFN 2.00X2.50X1.00 MM, 0.40MM PI | XFC | 850.053267 MHz | CML | 3.3V |
| XFP23VA00.000000I | Renesas晶振 | DFN 2.00X2.50X1.00 MM, 0.40MM PI | XFP | 1 GHz | LVPECL | 3.3V |
| XFP336A00.000000I | Renesas晶振 | XTAL OSC XO 1.0000GHZ LVPECL SMD | XFP | 1 GHz | LVPECL | 3.3V |
| XFP536A00.000000I | Renesas晶振 | XTAL OSC XO 1.0000GHZ LVPECL SMD | XFP | 1 GHz | LVPECL | 3.3V |
| XFC235156.250000K | Renesas晶振 | XTAL OSC XO 156.2500MHZ CML SMD | XFC | 156.25 MHz | CML | 3.3V |
| XFP525015.000000K | Renesas晶振 | XTAL OSC XO 15.0000MHZ LVPECL | XFP | 15 MHz | LVPECL | 2.5V |
| XFN235100.000000K | Renesas晶振 | XTAL OSC XO 100.0000MHZ HCSL SMD | XFN | 100 MHz | HCSL | 3.3V |
| XFC535750.000000K | Renesas晶振 | XTAL OSC XO 750.0000MHZ CML SMD | XFC | 750 MHz | CML | 3.3V |
| XFN315100.000000K | Renesas晶振 | XTAL OSC XO 100.0000MHZ HCSL SMD | XFN | 100 MHz | HCSL | 1.8V |
| XFP335156.250000K | Renesas晶振 | XTAL OSC XO 156.2500MHZ LVPECL | XFP | 156.25 MHz | LVPECL | 3.3V |
| XFP535312.500000K | Renesas晶振 | XTAL OSC XO 312.5000MHZ LVPECL | XFP | 312.5 MHz | LVPECL | 3.3V |
| XFC325125.000000K | Renesas晶振 | XTAL OSC XO 125.0000MHZ CML SMD | XFC | 125 MHz | CML | 2.5V |
| XFP316K00.000000I | Renesas晶振 | XTAL OSC XO 2.0000GHZ LVPECL SMD | XFP | 2 GHz | LVPECL | 1.8V |
| XFP535025.000000K | Renesas晶振 | XTAL OSC XO 25.0000MHZ LVPECL | XFP | 25 MHz | LVPECL | 3.3V |
| XFC215156.250000K | Renesas晶振 | DFN 2.00X2.50X1.00 MM, 0.40MM PI | XFC | 156.25 MHz | CML | 1.8V |
| XFC215800.000000K | Renesas晶振 | DFN 2.00X2.50X1.00 MM, 0.40MM PI | XFC | 800 MHz | CML | 1.8V |
| XFP235312.500000K | Renesas晶振 | DFN 2.00X2.50X1.00 MM, 0.40MM PI | XFP | 312.5 MHz | LVPECL | 3.3V |
| XFC23C850.053267I | Renesas晶振 | DFN 2.00X2.50X1.00 MM, 0.40MM PI | XFC | 850.053267 MHz | CML | 3.3V |
| XFN336148.500000I | Renesas晶振 | IC OSC VCXO QD FREQ 10CLCC | XFN | 148.5 MHz | HCSL | 3.3V |
| XFN336625.000000I | Renesas晶振 | XFN336625.000000I | XFN | 625 MHz | HCSL | 3.3V |



CPPC5-A7BP-68.0TS,5032mm,68MHz,Cardinal可編程晶體振蕩器
CPPLC1L-A5BR-13.56TS,13.56MHz,Cardinal以太網應用晶振
100MHz,CPPLC4L-B6-100.0TS,CPPL4,Cardinal正方型鐘振
FO2HSBBM25.0-T1,FOX晶振廠家,25MHz,高頻晶振
FO5LSJDM150.0-T1,FOX進口晶振,2.5V,石英晶振
FO5HSCBE10.0-T1,SMD晶振,FOX石英晶振,10MHz
FT5HNBPK10.0-T1,FOX電子晶振,福克斯晶振,10MHz
FY7HCHM8.448-T1,高頻率晶振,FOX電子廠家,環保晶振


