頻率:32.768KHZ
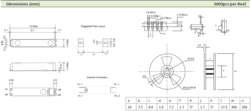
尺寸:7.0*1.5mm
AEL晶振,貼片晶振,60612晶振,AEL晶體的產品在機頂盒,安防產品,汽車產品和移動和地面通信等多種應用領域獲得了全球的普遍認可。我們每周運送數百萬單位到從墨西哥到中國的目的地。隨著頻率控制領域的許多新型創新產品的開發,我們能夠為今天的電子工程師提供在頻率產生領域更大程度的靈活性的自由。
貼片表晶32.768K系列具有超小型,薄型,質地輕的表面貼片音叉型石英晶體諧振器,晶振產品本身具備優良的耐熱性,耐環境特性,在辦公自動化,家電領域,移動通信領域可發揮優良的電氣特性,符合無鉛標準,滿足無鉛焊接的回流溫度曲線要求,金屬外殼的石英晶振使得產品在封裝時能發揮比陶瓷晶振外殼更好的耐沖擊性能.
保證進口晶振產品的溫度特性。石英晶振產品電極的設計:石英晶振產品的電極對于石英晶體元器件來講作用是1.改變頻率;2.往外界引出電極;3.改變電阻;4.抑制雜波。第1、2、3項相對簡單,第4項的設計很關鍵,電極的形狀、尺寸、厚度以及電極的種類(如金、銀等)都會導致第4項的變化。特別是隨著晶振的晶片尺寸的縮小對于晶片電極設計的形狀及尺寸和精度上都有更高的要求---公差大小、位置的一致性等對晶振產品的影響的程度增大,故對電極的設計提出了更精準的要求。
|
AEL晶振 |
單位 |
60612晶振參數 |
石英晶振基本條件 |
|
標準頻率 |
f_nom |
32.768KHZ |
標準頻率 |
|
儲存溫度 |
T_stg |
-40°C to +85°C |
裸存 |
|
工作溫度 |
T_use |
-55°C to +125°C |
標準溫度 |
|
激勵功率 |
DL |
1.0 µW Max |
推薦:1μW ~ 100μW |
|
頻率公差 |
f_— l |
±20ppm |
+25°C 對于超出標準的規格說明, |
|
頻率溫度特征 |
f_tem |
-0.034±0.006 |
超出標準的規格請聯系我們. |
|
負載電容 |
CL |
12.5pF |
不同負載電容要求,請聯系我們. |
|
串聯電阻(ESR) |
R1 |
如下表所示 |
-40°C ~ +125°C, DL = 100μW |
|
頻率老化 |
f_age |
±3× 10-6 / year Max. |
+25°C,第一年 |
存儲事項:(1) 在更高或更低溫度或高濕度環境下長時間保存晶振時,會影響頻率穩定性或焊接性。請在正常溫度和濕度環境下保存這些石英音叉晶振產品,并在開封后盡可能進行安裝,以免長期儲藏。 正常溫度和濕度: 溫度:+15°C 至 +35°C,濕度 25 % RH 至 85 % RH。 (2) 請仔細處理內外盒與卷帶。外部壓力會導致卷帶受到損壞。AEL晶振,貼片晶振,60612晶振
晶振產品使用每種產品時,請在石英無源晶振規格說明或產品目錄規定使用條件下使用。因很多種晶振產品性能,以及材料有所不同,所以使用注意事項也有所不同,比如焊接模式,運輸模式,保存模式等等,都會有所差別。
時鐘晶振產品的設計和生產直到出廠,都會經過嚴格的測試檢測來滿足它的規格要求。通過嚴格的出廠前可靠性測試以提供高質量高的可靠性的石英晶振.但是為了石英晶振的品質和可靠性,必須在適當的條件下存儲,安 裝,運輸。請注意以下的注意事項并在最佳的條件下使用產品,我們將對于客戶按自己的判斷而使用石英晶振所導致的不良不負任何責任。
AEL晶振,作為全球企業可持續的社會的實現,集團一體推進地球環境保全活動。推進了環境考慮的K級7015陶瓷外殼晶振產品和服務的產品和服務。為了提供社會,努力維護地球環境。遵守環境相關的法令、條例、限制、協定及其他要求事項,環境負荷的降低和污染的防止努力。AEL晶振,貼片晶振,60612晶振
AEL晶振工廠、辦公室節能、省資源、資源循環、化學物質的合理管理推動,地球溫暖化防止及循環型社會的實現貢獻。與采購單位、供應商等的客戶合作,溫室效應氣體削減,資源的有效利用,努力對7015貼片石英晶振,石英晶振的化學物質的管理強化等。
AEL晶振有限公司.進行協同集團全球環境保全措施作為全球業務支持一個可持續發展的社會發展.地域社會環境保全活動及生物多樣性保全活動的參加,環境関搭配等的信息積極的公開的事,與社會的交流的知識進一步加深小體積無源音叉晶體協調進一步的協調。這個環境方針是根據文件等的全體職員以及共同工作的人們。按照這個環境方針,設定環境目的和目標,確實是落實,對其進行重新評估,努力持續改善。
深圳市龍湖電子有限公司
服務熱線:86-0755-29952551
手機聯系:136-3294-3514
Q Q聯系:969080538
郵 箱:longhusz@163.com
地 址:深圳市寶安區新安街道安樂社區二街
