頻率:1-51.84MHZ
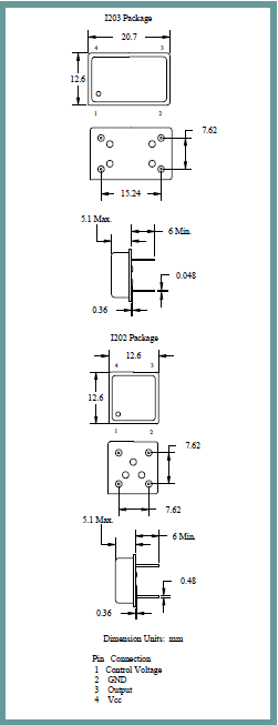
尺寸:20.7-12.6mm
有源晶振,是只晶體本身起振需要外部電壓供應,起振后可直接驅動CMOS 集成電路,產品本身已實現與薄型IC(TSSOP封裝,TVSOP封裝)同樣的1mm厚度,斷開時的消費電流是15 µA以下,編帶包裝方式可對應自動搭載及IR回流焊接(無鉛對應)產品有幾種電壓供選1.8V,2.5V,3V3.3V,5V,以應對不同IC產品需要.
ILSI晶振,壓控晶振,I202晶振,20.7*12.6mm體積的石英晶體振蕩器有源晶振,改產品可驅動2.5V的溫補晶振,壓控晶振,VC-TCXO晶體振蕩器產品,電源電壓的低電耗型,編帶包裝方式,可對應自動高速貼片機自動焊接,及IR回流焊接(無鉛對應),為無鉛產品,超小型,質地輕.產品被廣泛應用到集成電路,程控交換系統,無線發射基站.
隨著時間的推移,頻率值隨著晶振變化的大小,貼片晶振有年老化和日老化兩種指標。高精度恒溫晶振(OCXO)可以達到10-8 ppm/年。以上是選型時工程師應考慮的晶振參數,前5個參數一般就能選出相對應的石英晶振型號。壓控晶體振蕩器是通過調節(控制腳)電壓,使振蕩器輸出頻率變化的石英晶體振蕩器,主要是通過變容二極管(Vd)的電容的變化,使晶體諧振器的振蕩頻率發生變化。
|
ILSI晶振 |
單位 |
晶振參數 |
石英晶振基本條件 |
|
標準頻率 |
f_nom |
1-51.84MHZ |
標準頻率 |
|
儲存溫度 |
T_stg |
-50°C to +150°C |
裸存 |
|
工作溫度 |
T_use |
-40°C to +85°C, -40°C to +105°C, or -40°C to +125°C |
標準溫度 |
|
激勵功率 |
DL |
100 µW Max |
推薦:1μW ~ 100μW |
|
頻率公差 |
f_— l |
±50ppm, ±30ppm, ±25ppm, ±20ppm, ±15ppm, or ±10ppm |
+25°C 對于超出標準的規格說明, |
|
頻率溫度特征 |
f_tem |
±100ppm, ±50ppm, ±30ppm, or ±20ppm |
超出標準的規格請聯系我們. |
|
負載電容 |
CL |
8pF to 32pF |
不同負載電容要求,請聯系我們. |
|
串聯電阻(ESR) |
R1 |
如下表所示 |
-40°C ~ +125°C, DL = 100μW |
|
頻率老化 |
f_age |
±3× 10-6 / year Max. |
+25°C,第一年 |
有源晶振的負載電容與阻抗
負載電容與阻抗有源晶振設置一個規定的負載阻抗值。當一個值除了規定的一個設置為負載阻抗輸出頻率和輸出電平不會滿足時,指定的值這可能會導致問題例如:失真的輸出波形。特別是設置電抗,根據規范的負載阻抗。低消耗晶振,I202晶振,DIP晶振
輸出頻率和輸出電平,當測量輸出頻率或輸出水平,晶體振蕩器調整的輸入阻抗,測量儀器的負載阻抗石英晶體振蕩器。當輸入阻抗的測量儀器,不同的負載阻抗的晶體振蕩器,測量輸出頻率或輸出水平高,阻抗阻抗測量可以忽略。
機械處理
當貼片晶振發生外置撞擊時,任何石英晶體振蕩器在遭到外部撞擊時,或者產品不小心跌落時,強烈的外置撞擊都將會導致晶振損壞,或者頻率不穩定現象。 不執行任何強烈的沖擊石英晶體振蕩器。低消耗晶振,I202晶振,DIP晶振
如果一個強大的沖擊已經給振蕩器確保在使用前檢查其特點。
ILSI晶振,溫補晶振,I202晶振
ILSI晶振集團運用ISO14001環境管理系統進行環境管理,盡最大可能減小業務活動對環境造成的負擔,并通過業務發展推進環境改善。
ILSI晶振遵守所有適用的有關環境、健康和安全的有源晶振法律和法規以及CTS晶振集團自己的有關環境、工業衛生和安全的方針和承諾。
各項能源、資源消耗指標和排放指標達到國內領先、國際先進水平。實施創新戰略,提高自主創新能力,確保公司可持續發展。實施節約戰略,提高建設節約環保型企業能力,確保實現節能環保規劃目標。
將持續的環境、健康和安全方面的改進、污染預防和員工的大體積壓控晶振努力納入日常運行當中。加強污染防治,減少現有的污染廢棄物以及在未來生產制造中所產生的污染。低消耗晶振,I202晶振,DIP晶振
ILSI晶振集團為超小型壓控晶振確保安全、提高保護預防措施、產品的可靠性以及職業安全,確保職業健康與環境的優越性,通過正式的管理評審和對健康、安全和環境實施效果的持續改進,保護人群及財產與環境。
ILSI晶振,溫補晶振,I202晶振
深圳市龍湖電子有限公司
服務熱線:86-0755-29952551
手機聯系:136-3294-3514
Q Q聯系:969080538
郵 箱:longhusz@163.com
地 址:深圳市寶安區新安街道安樂社區二街


