頻率:1-40.0MHZ
尺寸:18.3*11.7mm
溫補晶振(TCXO),是目前有源晶振中體積最小的一款,產品本身帶溫度補償作用的晶體振蕩器,該體積產品最適合于GPS,以及衛星通訊系統,智能電話等多用途的高穩定的頻率溫度特性晶振.為對應低電源電壓的產品.(DC+1.8V ± 0.1V to +2.9V ± 0.1V 對應IC可能) 高度:最高0.8 mm,體積:0.0022 cm3,重量:0.008 g,超小型,輕型.低消耗電流,表面貼片型產品.(可對應回流焊)無鉛產品.滿足無鉛焊接的高溫回流溫度曲線要求,帶有AFC(頻率控制)功能,Enable/Disable功能,產品本身可根據使用需要進行選擇.
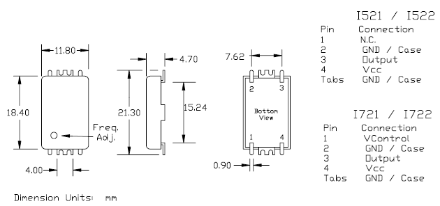
ILSI晶振,貼片晶振,I722晶振,引腳焊接型石英晶體元件.工廠倉庫長時間大量庫存常用頻點,.高精度的頻率和晶振本身更低的等效串聯電阻.常用負載電容,49/S石英晶振,因插件型鏡頭成本更低和更高的批量生產能力.主要應用于電視,機頂盒,LCDM和游戲機家用常規電器數碼產品等的最佳選擇.符合RoHS/無鉛.
石英晶振曲率半徑加工技術:石英晶振晶片在球筒倒邊加工時應用到的加工技術,主要是研究滿足不同曲率半徑石英晶體晶片設計可使用的方法。如:1、是指球面加工曲率半徑的工藝設計( a、球面的余弦磨量; b、球面的均勻磨量;c、球面加工曲率半徑的配合)2、在加工時球面測量標準的設計原則(曲率半徑公式的計算)。
|
ILSI晶振 |
單位 |
晶振參數 |
石英晶振基本條件 |
|
標準頻率 |
f_nom |
1-40.0MHZ |
標準頻率 |
|
儲存溫度 |
T_stg |
-50°C to +150°C |
裸存 |
|
工作溫度 |
T_use |
-40°C to +85°C, -40°C to +105°C, or -40°C to +125°C |
標準溫度 |
|
激勵功率 |
DL |
100 µW Max |
推薦:1μW ~ 100μW |
|
頻率公差 |
f_— l |
±50ppm, ±30ppm, ±25ppm, ±20ppm, ±15ppm, or ±10ppm |
+25°C 對于超出標準的規格說明, |
|
頻率溫度特征 |
f_tem |
±100ppm, ±50ppm, ±30ppm, or ±20ppm |
超出標準的規格請聯系我們. |
|
負載電容 |
CL |
8pF to 32pF |
不同負載電容要求,請聯系我們. |
|
串聯電阻(ESR) |
R1 |
如下表所示 |
-40°C ~ +125°C, DL = 100μW |
|
頻率老化 |
f_age |
±3× 10-6 / year Max. |
+25°C,第一年 |
這些晶振知識介紹是指,晶振在產品上線之后發生不良品或者沒反應的情況下,自檢辦法。石英晶振如果在電路上的功能不規則或根本無法全部晶振找出得到了應用操作,請使用以下的清單找出可能存在的問題。請按照確定的因素和可能的解決方案的說明。
我們從晶振使用輸出無信號開始尋找相關問題。有源晶振,高質量DIP晶振,I722晶振
我們可以先使用示波器或者頻率計數器來檢查石英晶體終端的兩個信號,如果沒有信號輸出,請按照步驟1-1到1-4步執行檢查。如果有從石英晶振(XOUT)的輸出端子的輸出信號,而是從在終端(辛)輸出沒有信號,請檢查石英晶振體以下step1-5到步驟1-6。
你可以先把晶體卸載下來并測試晶振的頻率和負載電容,看看他們是否能振動,也可以使用專業的石英晶體測試儀器來檢測 。如果你沒法檢測你也可以將不良品發送給我公司,我們檢測分析之后告訴你結果。有源晶振,高質量DIP晶振,I722晶振
如果有下列情況發生,石英晶振不起振,首先你先查看你產品上使用的負載電容CL是否對,是否跟你的線路相匹配,或者是晶振的精度是否符合你的要求,或者你可以把產品發送回我公司分析。如果晶振頻率和負載電容跟要求相對應的話,我們將需要進行等效電路測試。
ILSI晶振,貼片晶振,I722晶振
ILSI晶體科技本于‘善盡企業責任、降低溫補晶振對環境沖擊、提升員工健康’的理念,執行各項環境及職業安全衛生管理工作;落實公司環安衛政策要求使環境暨安全衛生管理成效日益顯著,不僅符合國內環保、勞安法令要求,產品同時也能達到國際環保、安全衛生標準.
2003年通過ISO14001環境管理系統驗證,秉持“污染預防、持續改善”之原則,公司事業廢棄物產出量逐年降低,可回收、再利用之廢棄物比例逐年提高,各項排放檢測數據符合政府法規要求.并由原材料管控禁用或限用環境危害物質與國際大廠對于綠色生產及綠色溫度補償晶體振蕩器產品的要求相符,于2004年通過SONY 綠色伙伴(Green Partner)驗證.有源晶振,高質量DIP晶振,I722晶振
勞工職業安全衛生議題近年成為世界各國及企業關注焦點,如何做到‘降低職業災害發生、確保長方形鐘振工作場所安全、實施員工健康管理’一直是ILSI晶體努力的方向,公司于2008年12月通過OHSAS18001職業安全衛生管理系統驗證,提供勞工符合系統要求的安全衛生工作環境.
ILSI晶振,貼片晶振,I722晶振
深圳市龍湖電子有限公司
服務熱線:86-0755-29952551
手機聯系:136-3294-3514
Q Q聯系:969080538
郵 箱:longhusz@163.com
地 址:深圳市寶安區新安街道安樂社區二街


