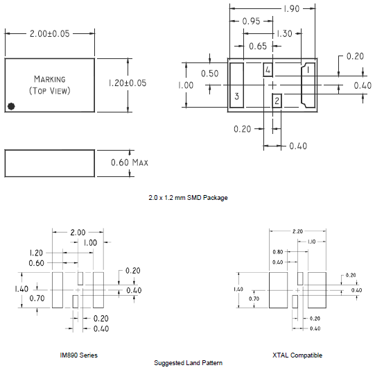
頻率:32.768KHz
尺寸:2.0*1.2mm
普通石英晶振,外觀完全使用金屬材料封裝的,產品本身采用全自動石英晶體檢測儀,以及跌落,漏氣等苛刻實驗.產品本身具有高穩定性,高可靠性的石英晶體諧振器,焊接方面支持表面貼裝,外觀采用金屬封裝,具有充分的密封性能,晶振本身能確保其高可靠性,采用編帶包裝,可對應產品應用到自動貼片機高速安裝,滿足無鉛焊接的高溫回流溫度曲線要求.
ILSI晶振,貼片晶振,IM890晶振,普通貼片石英晶振外觀使用金屬材料封裝的,具有高穩定性,高可靠性的石英晶體諧振器,晶振外觀本身使用金屬封裝,充分的密封性能,可確保其高可靠性,采用編帶包裝,外包裝采用朔膠盤,可在自動貼片機上對應自動貼裝等優勢.
有源晶振高頻振蕩器使用IC與晶片設計匹配技術:有源晶振是高頻振蕩器研發及生產過程必須要解決的技術難題。在設計過程中除了要考慮音叉晶振具有的電性外,還有石英晶體振蕩器的電極設計等其它的特殊性,必須考慮石英晶體振蕩器的供應電壓、起動電壓和產品上升時間、下降時間等相關參數。
|
ILSI晶振 |
單位 |
晶振參數 |
石英晶振基本條件 |
|
標準頻率 |
f_nom |
32.768KHZ |
標準頻率 |
|
儲存溫度 |
T_stg |
-50°C to +150°C |
裸存 |
|
工作溫度 |
T_use |
-40°C to +85°C, -40°C to +105°C, or -40°C to +125°C |
標準溫度 |
|
激勵功率 |
DL |
100 µW Max |
推薦:1μW ~ 100μW |
|
頻率公差 |
f_— l |
±50ppm, ±30ppm, ±25ppm, ±20ppm, ±15ppm, or ±10ppm |
+25°C 對于超出標準的規格說明, |
|
頻率溫度特征 |
f_tem |
±100ppm, ±50ppm, ±30ppm, or ±20ppm |
超出標準的規格請聯系我們. |
|
負載電容 |
CL |
8pF to 32pF |
不同負載電容要求,請聯系我們. |
|
串聯電阻(ESR) |
R1 |
如下表所示 |
-40°C ~ +125°C, DL = 100μW |
|
頻率老化 |
f_age |
±3× 10-6 / year Max. |
+25°C,第一年 |
DIP 產品
已變形的石英晶振引腳不能插入板孔中。請勿施加過大壓力,以免引腳變形。
SOJ 產品和SOP 產品
請勿施加過大壓力,以免石英晶振引腳變形。已變形的石英晶振引腳焊接時會造成浮起。尤其是SOP產品需要更加小心處理。2012mm貼片晶振,IM890晶振,陶瓷晶振
1.超聲波清洗
(1)使用AT-切割晶體和表面濾波器波(SAW)/聲表面諧振器的產品,可以通過超聲波進行清洗。但是,在某些條件下, 晶振特性可能會受到影響,而且內部線路可能受到損壞。確保已事先檢查系統的適用性。2012mm貼片晶振,IM890晶振,陶瓷晶振
(2)使用音叉晶體和陀螺儀傳感器的產品無法確保能夠通過超聲波方法進行清洗,因為晶振可能受到破壞。
(3)請勿清洗開啟式晶振產品
(4)對于可清洗晶振產品,應避免使用可能對產品產生負面影響的清洗劑或溶劑等。
(5)焊料助焊劑的殘留會吸收水分并凝固。這會引起諸如位移等其它現象。這將會負面影響產品的可靠性和質量。請清理殘余的助焊劑并烘干PCB。
2.操作
請勿用鑷子或任何堅硬的工具,夾具直接接觸IC的表面。
3.使用環境(溫度和濕度)
請在規定的溫度范圍內使用石英晶振。這個溫度涉及本體的和季節變化的溫度。在高濕環境下,會由于凝露引起故障。請避免凝露的產生。
晶振/石英晶體諧振器
激勵功率
在晶振上施加過多驅動力,會導致產品特性受到損害或破壞。電路設計必須能夠維持適當的激勵功率 。
負極電阻
除非石英晶體振蕩器回路中分配足夠多的負極電阻,否則振蕩或振蕩啟動時間可能會增加。
負載電容
有源晶振振蕩電路中負載電容的不同,可能導致振蕩頻率與設計頻率之間產生偏差。試圖通過強力調整,可能只會導致不正常的振蕩。在使用之前,請指明該振動電路的負載電容。
ILSI晶振,貼片晶振,IM890晶振
ILSI晶體科技本于‘善盡企業責任、降低32.768K貼片晶振對環境沖擊、提升員工健康’的理念,執行各項環境及職業安全衛生管理工作;落實公司環安衛政策要求使環境暨安全衛生管理成效日益顯著,不僅符合國內環保、勞安法令要求,產品同時也能達到國際環保、安全衛生標準.
2003年通過ISO14001環境管理系統驗證,秉持“污染預防、持續改善”之原則,公司事業廢棄物產出量逐年降低,可回收、再利用之廢棄物比例逐年提高,各項排放檢測數據符合政府法規要求.并由原材料管控禁用或限用環境危害物質與國際大廠對于綠色生產及綠色低消耗晶振產品的要求相符,于2004年通過SONY 綠色伙伴(Green Partner)驗證.2012mm貼片晶振,IM890晶振,陶瓷晶振
勞工職業安全衛生議題近年成為世界各國及企業關注焦點,如何做到‘降低職業災害發生、確保32.768K有源振蕩器工作場所安全、實施員工健康管理’一直是ILSI晶體努力的方向,公司于2008年12月通過OHSAS18001職業安全衛生管理系統驗證,提供勞工符合系統要求的安全衛生工作環境.
ILSI晶振,貼片晶振,IM890晶振
深圳市龍湖電子有限公司
服務熱線:86-0755-29952551
手機聯系:136-3294-3514
Q Q聯系:969080538
郵 箱:longhusz@163.com
地 址:深圳市寶安區新安街道安樂社區二街

普通石英晶振,外觀完全使用金屬材料封裝的,產品本身采用全自動石英晶體檢測儀,以及跌落,漏氣等苛刻實驗.產品本身具有高穩定性,高可靠性的石英晶體諧振器,焊接方面支持表面貼裝,外觀采用金屬封裝,具有充分的密封性能,晶振本身能確保其高可靠性,采用編帶包裝,可對應產品應用到自動貼片機高速安裝,滿足無鉛焊接的高溫回流溫度曲線要求.

貼片石英晶振最適合用于車載電子領域的小型表面貼片石英晶體諧振器.也可對應有高可靠性要求的引擎控制用CPU的時鐘部分簡稱為時鐘晶體振蕩器,在極端嚴酷的環境條件下也能發揮穩定的起振特性,產品本身具有耐熱,耐振,耐撞擊等優良的耐環境特性,滿足無鉛焊接的回流溫度曲線要求,符合AEC-Q200標準.

貼片石英晶振最適合用于車載電子領域的小型表面貼片石英晶體諧振器.也可對應有高可靠性要求的引擎控制用CPU的時鐘部分簡稱為時鐘晶體振蕩器,在極端嚴酷的環境條件下也能發揮穩定的起振特性,產品本身具有耐熱,耐振,耐撞擊等優良的耐環境特性,滿足無鉛焊接的回流溫度曲線要求,符合AEC-Q200標準.