頻率:25.0KHZ
尺寸:15.0*12.0mm
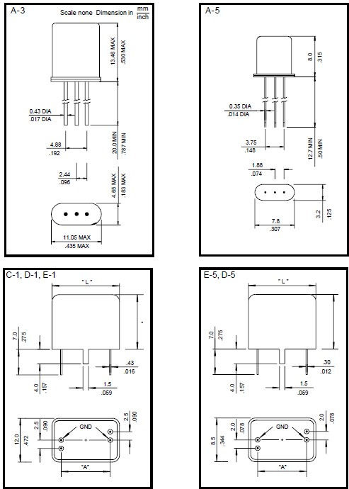
Raltron晶振,進口插件晶振,C-1, D-1, E-1 晶振,Raltron晶振公司成立于1983年,是全球較受歡迎的石英晶振,貼片晶振,壓電石英晶體等頻率產品制造商之一.從簡單的音叉晶體到高穩定性的可編程晶體振蕩器,Raltron提供了行業中最全面的頻率管理設備.多年來,公司致力于石英晶振,貼片晶振,石英晶體振蕩器,有源晶振的研究和開發,使得石英晶體,石英晶體振蕩器的技術不斷創新.如今Raltron晶振公司提供高性能的頻率控制解決方案,在價格、質量、應用程序工程和客戶支持方面滿足和超越客戶期望.
石英晶振真空退火技術:晶振高真空退火處理是消除貼片晶振在加工過程中產生的應力及輕微表面缺陷。在PLC控制程序中輸入已設計好的溫度曲線,使真空室溫度跟隨設定曲線對晶體組件進行退火,石英晶振通過合理的真空退火技術可提高晶振主要參數的穩定性,以及提高石英晶振的年老化特性。
|
Raltron晶振規格 |
單位 |
Raltron貼片晶振頻率范圍 |
石英晶振基本條件 |
|
標準頻率 |
f_nom |
25.0KHZ |
標準頻率 |
|
儲存溫度 |
T_stg |
-40°C ~ +85°C |
裸存 |
|
工作溫度 |
T_use |
-40°C ~ +85°C |
標準溫度 |
|
激勵功率 |
DL |
200μW Max. |
推薦:1μW ~ 100μW |
|
頻率公差 |
f_— l |
±50 × 10-6 (標準), |
+25°C 對于超出標準的規格說明,請聯系我們以便獲取相關的信息, http://m.0597lc.cn/ |
|
頻率溫度特征 |
f_tem |
±30 × 10-6/-20°C ~ +70°C |
超出標準的規格請聯系我們. |
|
負載電容 |
CL |
8pF ,10PF,12PF,20PF |
不同負載電容要求,請聯系我們. |
|
串聯電阻(ESR) |
R1 |
如下表所示 |
-40°C — +85°C, DL = 100μW |
|
頻率老化 |
f_age |
±5 × 10-6 / year Max. |
+25°C,第一年 |
耐焊性:
將晶振加熱包裝材料至+150°C以上會破壞產品特性或損害產品.如需在+150°C以上焊接石英晶振,建議使用SMD晶振產品.在下列回流條件下,對石英晶振產品甚至SMD貼片晶振使用更高溫度,會破壞晶振特性.建議使用下列配置情況的回流條件.安裝這些貼片晶振之前,應檢查焊接溫度和時間.同時,在安裝條件更改的情況下,請再次進行檢查.如果需要焊接的晶振產品在下列配置條件下進行焊接,請聯系我們以獲取耐熱的相關信息.Raltron晶振,進口插件晶振,C-1, D-1, E-1 晶振
(1)柱面式產品和DIP產品
|
晶振產品類型 |
晶振焊接條件 |
|
插件晶振型,是指石英晶振采用引腳直插模式的情況下 |
手工焊接+300°C或低于3秒鐘 |
|
SMD型貼片晶振,是指石英晶振采用SMT高速焊接,或者回流焊接情況下,有些型號晶振高溫可達260°,有些只可達230° |
+260°C或低于@最大值 10 s |
Raltron石英晶振集團加強環境意識教育,提高全員環境意識,充分調動職工的積極性,積極使用壓電石英晶體元器件、壓電石英晶體、有源晶體、(PXO)普通晶體振蕩器,(TCXO)溫補晶體振蕩器,(OCXO)恒溫晶體振蕩器等環保型原材料,減少生產過程中的廢棄物產生量,努力向相關方施加環境影響. Raltron晶振,進口插件晶振,C-1, D-1, E-1 晶振
我們的活動、產品和服務首先要遵守和符合有關環境的法律和其他環境要求.努力探索生產中所使用的有毒有害物質的替代,本著污染預防的思想,使我們的晶體振蕩器,有源晶振, 普通石英晶體振蕩器,(TCXO)溫補晶體振蕩器更趨于綠色,提高本公司的社會形象.
深圳市龍湖電子有限公司
服務熱線:86-0755-29952551
手機聯系:136-3294-3514
Q Q聯系:969080538
郵 箱:longhusz@163.com
地 址:深圳市寶安區新安街道安樂社區二街


