頻率:32.768KHz
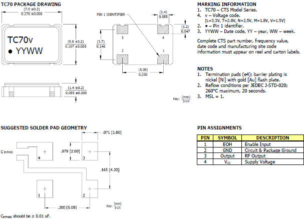
尺寸:7.0*5.0mm
7050mm體積的晶振,可以說是目前小型數碼產品的福音,目前超小型的智能手機里面所應用的就是小型的石英晶振,該產品最適用于無線通訊系統,無線局域網,已實現低相位噪聲,低電壓,低消費電流和高穩定度,超小型,質量輕等產品特點,產品本身編帶包裝方式,可對應自動高速貼片機應用,以及高溫回流焊接(產品無鉛對應),為無鉛產品.
CTS晶振,貼片晶振,TC70晶振.有源晶振,是只晶體本身起振需要外部電壓供應,起振后可直接驅動CMOS 集成電路,產品本身已實現與薄型IC(TSSOP封裝,TVSOP封裝)同樣的1mm厚度,斷開時的消費電流是15 µA以下,編帶包裝方式可對應自動搭載及IR回流焊接(無鉛對應)產品有幾種電壓供選1.8V,2.5V,3V3.3V,5V,以應對不同IC產品需要..
石英晶振多層、多金屬的濺射鍍膜技術:是目前研發及生產高精度、高穩定性石英晶體元器件——石英晶振必須攻克的關鍵技術之一。石英晶振該選用何鍍材、鍍幾種材料、幾種鍍材的鍍膜順序,鍍膜的工藝方法(如各鍍材的功率設計等)。使用此鍍膜方法使鍍膜后的晶振附著力增強,貼片晶振頻率更加集中,能控制在最小ppm之內。
|
CTS晶振規格 |
單位 |
晶振 |
石英晶振基本條件 |
|
標準頻率 |
f_nom |
32.768KHz |
標準頻率 |
|
儲存溫度 |
T_stg |
-40°C~+90°C |
裸存 |
|
工作溫度 |
T_use |
-40°C~+85°C |
標準溫度 |
|
激勵功率 |
DL |
200μW Max. |
推薦:1μW ~200μW |
|
頻率公差 |
f_— l |
±20 × 10-6 (標準) |
+25°C 對于超出標準的規格說明, |
|
頻率溫度特征 |
f_tem |
±20 × 10-6/-40°C~+85°C |
超出標準的規格請聯系我們. |
|
負載電容 |
CL |
8pF~30pF |
不同負載電容要求,請聯系我們. |
|
串聯電阻(ESR) |
R1 |
如下表所示 |
-40°C~+85°C, DL = 100μW |
|
頻率老化 |
f_age |
±3× 10-6 / year Max. |
+25°C,第一年 |
晶振產品使用每種產品時,請在石英晶振規格說明或產品目錄規定使用條件下使用。因很多種晶振產品性能,以及材料有所不同,所以使用注意事項也有所不同,比如焊接模式,運輸模式,保存模式等等,都會有所差別。
晶振產品的設計和生產直到出廠,都會經過嚴格的測試檢測來滿足它的規格要求。通過嚴格的出廠前可靠性測試以提供高質量高的可靠性的石英晶振.但是為了石英晶振的品質和可靠性,必須在適當的條件下存儲,安 裝,運輸。請注意以下的注意事項并在最佳的條件下使用產品,我們將對于客戶按自己的判斷而使用石英晶振所導致的不良不負任何責任。
7-1:機械振動的影響
當晶振產品上存在任何給定沖擊或受到周期性機械振動時,比如:壓電揚聲器,壓電蜂鳴器,以及喇叭等,輸出頻率和幅度會受到影響。這種現象對通信器材通信質量有影響。盡管晶振產品設計可最小化這種機械振動的影響,我們推薦事先檢查并按照下列安裝指南進行操作。CTS晶振,貼片晶振,TC70晶振
CTS晶振集團在“制造、使用、有效利用、再利用”這樣一個2520貼片型無源晶振產品生命周期中,努力創造豐富的價值,給社會帶來溫馨和安寧,感動和驚喜,同時為減少環境影響,努力做好“防止地球變暖、有效利用資源、對化學物質進行管理”,實現與地球的和諧相處。
將2520石英晶體生產活動中的環境因素和環境影響的分析納入我們的決策中來,確保活動中每一分子的運作和發展都體現對污染預防方針的貫徹。
CTS晶振集團為確保安全、提高保護預防措施、2520晶振產品的可靠性以及職業安全,確保職業健康與環境的優越性,通過正式的管理評審和對健康、安全和環境實施效果的持續改進,保護人群及財產與環境。
CTS晶振遵守所有適用的有關環境、健康和安全的法律和法規以及CTS晶振集團自己的有關環境、工業衛生和安全的方針和承諾。
與我們的員工一起開創并保持一個免于事故的工作場所。重視污染預防,消除偏離程序的行為強調通過員工努力這一最可行的方法持續改進我們經營活動的環境績效。CTS晶振,貼片晶振,TC70晶振
深圳市龍湖電子有限公司
服務熱線:86-0755-29952551
手機聯系:136-3294-3514
Q Q聯系:969080538
郵 箱:longhusz@163.com
地 址:深圳市寶安區新安街道安樂社區二街


