頻率:6000~54000KHZ
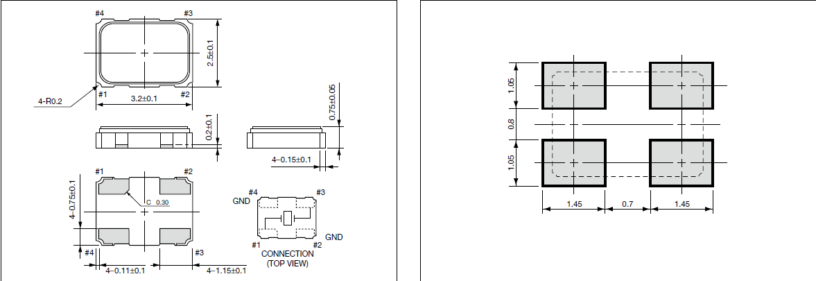
尺寸:3.2*2.5mm
貼片石英晶體,體積小,焊接可采用自動貼片系統,產品本身小型,表面貼片晶振,特別適用于有小型化要求的電子數碼產品市場領域
京瓷晶振,貼片晶振,CX3225SA晶振,CX3225SB晶振,超薄型具備強防焊裂性,石英晶體在極端嚴酷的環境條件下也能發揮穩定的起振特性,產品本身具有耐熱,耐振,耐撞擊等優良的耐環境特性,滿足無鉛焊接以及高溫回流溫度曲線要求,符合AEC-Q200標準.
晶振的真空封裝技術:是指石英晶振在真空封裝區域內進行封裝。1.防止外界氣體進入組件體內受到污染和增加應力的產生;2.使晶振組件在真空下電阻減??;3.氣密性高。此技術為研發及生產超小型、超薄型石英晶振必須攻克的關鍵技術之一
|
京瓷晶振規格 |
單位 |
CX3225SA晶振頻率范圍 |
石英晶振基本條件 |
|
標準頻率 |
f_nom |
8000 ~ 54000KHZ |
標準頻率 |
|
儲存溫度 |
T_stg |
-40°C ~ +150°C |
裸存 |
|
工作溫度 |
T_use |
-40°C ~ +150°C |
標準溫度 |
|
激勵功率 |
DL |
200μW Max. |
推薦:1μW ~ 100μW |
|
頻率公差 |
f_— l |
±50 × 10-6 (標準), |
+25°C 對于超出標準的規格說明, |
|
頻率溫度特征 |
f_tem |
±30 × 10-6/-20°C ~ +70°C |
超出標準的規格請聯系我們. |
|
負載電容 |
CL |
7pF ~ ∞ |
超出標準說明,請聯系我們. |
|
串聯電阻(ESR) |
R1 |
如下表所示 |
-40°C — +85°C, DL = 100μW |
|
頻率老化 |
f_age |
±5 × 10-6 / year Max. |
+25°C,第一年 |
|
京瓷晶振規格 |
單位 |
CX3225SB晶振頻率范圍 |
石英晶振基本條件 |
|
標準頻率 |
f_nom |
12000 ~ 54000KHZ |
標準頻率 |
|
儲存溫度 |
T_stg |
-40°C ~ +125°C |
裸存 |
|
工作溫度 |
T_use |
-40°C ~ +125°C |
標準溫度 |
|
激勵功率 |
DL |
200μW Max. |
推薦:1μW ~ 100μW |
|
頻率公差 |
f_— l |
±50 × 10-6 (標準), |
+25°C 對于超出標準的規格說明, |
|
頻率溫度特征 |
f_tem |
±30 × 10-6/-20°C ~ +70°C |
超出標準的規格請聯系我們. |
|
負載電容 |
CL |
7pF ~ ∞ |
超出標準說明,請聯系我們. |
|
串聯電阻(ESR) |
R1 |
如下表所示 |
-40°C — +85°C, DL = 100μW |
|
頻率老化 |
f_age |
±5 × 10-6 / year Max. |
+25°C,第一年 |
自動安裝時的沖擊:
石英晶振自動安裝和真空化引發的沖擊會破壞產品特性并影響這些產品。請設置安裝條件以盡可能將沖擊降至最低,并確保在安裝前未對晶振特性產生影響。條件改變時,請重新檢查安裝條件。同時,在安裝前后,請確保石英晶振產品未撞擊機器或其他電路板等。
每個封裝類型的注意事項
陶瓷包裝晶振與SON產品
在焊接陶瓷封裝晶振和SON產品 (陶瓷包裝是指晶振外觀采用陶瓷制品) 之后,彎曲電路板會因機械應力而導致焊接部分剝落或封裝分裂(開裂)。尤其在焊接這些產品之后進行電路板切割時,務必確保在應力較小的位置布局晶體并采用應力更小的切割方法。
陶瓷包裝石英晶振
在一個不同擴張系數電路板(環氧玻璃)上焊接陶瓷封裝石英晶振時,在溫度長時間重復變化時可能導致端子焊接部分發生斷裂,請事先檢查焊接特性。
(2)陶瓷封裝貼片晶振
在一個不同擴張系數電路板(環氧玻璃)上焊接陶瓷封裝貼片晶振時,在溫度長時間重復變化時可能導致端子焊接部分發生斷裂,請事先檢查焊接特性。
京瓷晶振環保理念
京瓷晶振集團希望銷售的所有產品都能為地球環保做貢獻,因此致力于開發環境友好型石英晶體諧振器,溫補晶振,貼片晶振等產品。為進行環境友好型產品的設計,京瓷晶振明確了“環境友好理念”。
將對于防止全球變暖、節能、節省資源、削減有害物質做出積極貢獻的產品定為“環保商品”,并針對所有產品設定了以環境友好理念為基礎的評價基準。通過這些努力,在2015年度,環保商品的比例達到了99%。今后,京瓷晶振集團將繼續開展相關活動,為提供更多環境友好型產品而努力。京瓷晶振,2520貼片晶振,CT2520DB晶振
深圳市火運電子有限公司
服務熱線:86-0755-29952551
手機聯系:136-3294-3514
Q Q聯系:969080538
郵 箱:longhusz@163.com
地 址:深圳市寶安區新安街道安樂社區二街

C3290-24.000,進口晶振,瑞斯克有源晶振,耐熱晶振,石英晶體,24MHz晶振,四腳貼片晶振,歐美晶振,美國晶振,高端晶振,高頻晶振,編碼C3290-24.000,型號C3290,頻率24M,電壓5V,7.2*5.2mm尺寸,運行溫度為0~70度,在惡劣的環境下還能平穩且持續的為產品運行,

C3390-10.000,10M石英晶振,瑞斯克電子石英晶振,石英振蕩器,石英晶體振蕩器,抗沖擊晶振,耐撞擊晶振,高頻晶振,帶電壓晶振,無人機晶振,貼片晶振,無人機晶振,洗衣機晶振,比陶瓷更好的抗沖擊性,金屬材質設計有著出色的導熱性和使用壽命,即使在惡劣環境也還能給產品平穩且持續的運行,深受廣大客戶的喜愛
