頻率:1.0-125.0MHZ
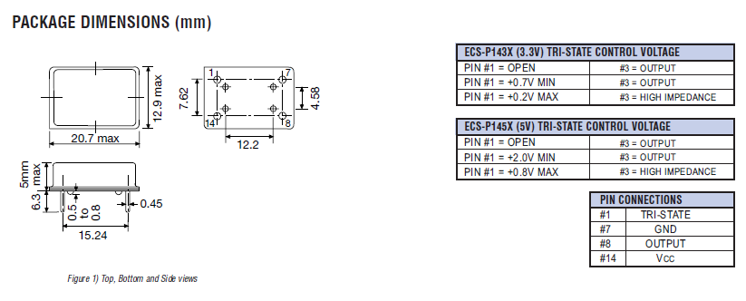
尺寸:20.7*12.9MM
有源晶振,是只晶體本身起振需要外部電壓供應,起振后可直接驅動CMOS 集成電路,產品本身已實現與薄型IC(TSSOP封裝,TVSOP封裝)同樣的1mm厚度,斷開時的消費電流是15 µA以下,編帶包裝方式可對應自動搭載及IR回流焊接(無鉛對應)產品有幾種電壓供選1.8V,2.5V,3V3.3V,5V,以應對不同IC產品需要..

ECS晶振,貼片晶振,ECS-P143X晶振,插件式石英晶體振蕩器,低電壓啟動功率,并且有多種電壓供選擇,比如有1.8V,2.5V,3.3V,3.8V,5V等,產品被廣泛應用于,平板筆記本,GPS系統,光纖通道,千兆以太網,串行ATA,串行連接SCSI,PCI-Express的SDH / SONET發射基站等領域.符合RoHS/無鉛.
石英晶振的真空封裝技術:是指石英晶振在真空封裝區域內進行封裝。1.防止外界氣體進入組件體內受到污染和增加應力的產生;2.使晶振組件在真空下電阻減小;3.氣密性高。此技術為研發及生產超小型、超薄型石英晶振必須攻克的關鍵技術之一
|
項目
符號
規格說明
條件
輸出頻率范圍
f0
1.0-125.0MHZ
請聯系我們以便獲取其它可用頻率的相關信息
電源電壓
VCC
1.60 V to 3.63 V
請聯系我們以了解更多相關信息
儲存溫度
T_stg
-55℃ to +125℃
裸存
工作溫度
T_use
G: -40℃ to +85℃
請聯系我們查看更多資料http://m.0597lc.cn
H: -40℃ to +105℃
J: -40℃ to +125℃
頻率穩定度
f_tol
J: ±50 × 10-6
L: ±100 × 10-6
T: ±150 × 10-6
功耗
ICC
3.5 mA Max.
無負載條件、最大工作頻率
待機電流
I_std
3.3μA Max.
ST=GND
占空比
SYM
45 % to 55 %
50 % VCC 極, L_CMOS≦15 pF
輸出電壓
VOH
VCC-0.4V Min.
VOL
0.4 V Max.
輸出負載條件
L_CMOS
15 pF Max.
輸入電壓
VIH
80% VCC Max.
ST 終端
VIL
20 % VCC Max.
上升/下降時間
tr / tf
4 ns Max.
20 % VCC to 80 % VCC 極, L_CMOS=15 pF
振蕩啟動時間
t_str
3 ms Max.
t=0 at 90 %
頻率老化
f_aging
±3 × 10-6 / year Max.
+25 ℃, 初年度,第一年
|
|||||||||||||||||||||||||||||||||||||||||||||||||||||||||||||||||||||
|
|
|
|
|
這些晶振知識介紹是指,晶振在產品上線之后發生不良品或者沒反應的情況下,自檢辦法。石英晶振如果在電路上的功能不規則或根本無法全部晶振找出得到了應用操作,請使用以下的清單找出可能存在的問題。請按照確定的因素和可能的解決方案的說明。
我們從晶振使用輸出無信號開始尋找相關問題。
我們可以先使用示波器或者頻率計數器來檢查石英晶體終端的兩個信號,如果沒有信號輸出,請按照步驟1-1到1-4步執行檢查。如果有從石英晶振(XOUT)的輸出端子的輸出信號,而是從在終端(辛)輸出沒有信號,請檢查石英晶振體以下step1-5到步驟1-6。
你可以先把晶體卸載下來并測試晶振的頻率和負載電容,看看他們是否能振動,也可以使用專業的石英晶體測試儀器來檢測 。如果你沒法檢測你也可以將不良品發送給我公司,我們檢測分析之后告訴你結果。
如果有下列情況發生,晶振不起振,首先你先查看你產品上使用的負載電容CL是否對,是否跟你的線路相匹配,或者是晶振的精度是否符合你的要求,或者你可以把產品發送回我公司分析。如果晶振頻率和負載電容跟要求相對應的話,我們將需要進行等效電路測試。
ECS Inc國際晶振集團重視污染預防,消除偏離程序的行為強調通過員工努力這一最可行的方法持續改進我們經營活動的環境績效.
加強污染防治,減少現有的污染廢棄物以及在未來晶振,陶瓷諧振器, 壓控振蕩器, 石英水晶振蕩子生產制造中所產生的污染.
ECS Inc國際晶振集團所有的經營組織都將積極應用國際標準以及適用的法律法規.為促進合理有效的公共政策的制訂實施加強戰略聯系.
ECS晶振集團以最小化使用危險材料、能源和其它資源為目的進行公司產品及服務的安全生產和使用,并確保回收利用.以防治污染、保存資源的方式進行商務運作,并積極地對以往的環境破壞進行揭露.持續改進,將環境管理與商務運行和決策過程高度集成,規范其行為.不斷進行持續改進的實踐.
深圳市龍湖電子有限公司
服務熱線:86-0755-29952551
手機聯系:136-3294-3514
Q Q聯系:969080538
郵 箱:longhusz@163.com
地 址:深圳市寶安區新安街道安樂社區二街


