頻率:1.00-125.0MHZ
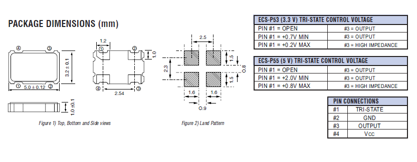
尺寸:5.0*3.2MM
貼片石英晶體,體積小,焊接可采用自動貼片系統,產品本身小型,表面貼片晶振,特別適用于有小型化要求的電子數碼產品市場領域,因產品小型,薄型優勢,耐環境特性,包括耐高溫,耐沖擊性等,在移動通信領域得到了廣泛的應用,晶振產品本身可發揮優良的電氣特性,滿足無鉛焊接的高溫回流溫度曲線要求.

ECS晶振,貼片晶振,ECS-P53晶振,體積非常小的SMDcrystal器件,是民用小型無線數碼產品的最佳選擇,小體積的晶振被廣泛應用到,手機藍牙,GPS定位系統,無線通訊集,高精度和高頻率的穩定性能,非常好的減少電磁干擾的影響,是民用無線數碼產品最好的選擇,符合RoHS/無鉛.
石英晶振曲率半徑加工技術:石英晶振晶片在球筒倒邊加工時應用到的加工技術,主要是研究滿足不同曲率半徑石英晶振晶片設計可使用的方法。如:1、是指球面加工曲率半徑的工藝設計( a、球面的余弦磨量; b、球面的均勻磨量;c、球面加工曲率半徑的配合)2、在加工時球面測量標準的設計原則(曲率半徑公式的計算)。
|
項目
符號
規格說明
條件
輸出頻率范圍
f0
1.00-125.0MHZ
請聯系我們以便獲取其它可用頻率的相關信息
電源電壓
VCC
1.60 V to 3.63 V
請聯系我們以了解更多相關信息
儲存溫度
T_stg
-55℃ to +125℃
裸存
工作溫度
T_use
G: -40℃ to +85℃
請聯系我們查看更多資料http://m.0597lc.cn
H: -40℃ to +105℃
J: -40℃ to +125℃
頻率穩定度
f_tol
J: ±50 × 10-6
L: ±100 × 10-6
T: ±150 × 10-6
功耗
ICC
3.5 mA Max.
無負載條件、最大工作頻率
待機電流
I_std
3.3μA Max.
ST=GND
占空比
SYM
45 % to 55 %
50 % VCC 極, L_CMOS≦15 pF
輸出電壓
VOH
VCC-0.4V Min.
VOL
0.4 V Max.
輸出負載條件
L_CMOS
15 pF Max.
輸入電壓
VIH
80% VCC Max.
ST 終端
VIL
20 % VCC Max.
上升/下降時間
tr / tf
4 ns Max.
20 % VCC to 80 % VCC 極, L_CMOS=15 pF
振蕩啟動時間
t_str
3 ms Max.
t=0 at 90 %
頻率老化
f_aging
±3 × 10-6 / year Max.
+25 ℃, 初年度,第一年
|
|||||||||||||||||||||||||||||||||||||||||||||||||||||||||||||||||||||
|
|
|
|
|
晶振產品的設計和生產直到出廠,都會經過嚴格的測試檢測來滿足它的規格要求。通過嚴格的出廠前可靠性測試以提供高質量高的可靠性的石英晶振.但是為了石英晶振的品質和可靠性,必須在適當的條件下存儲,安 裝,運輸。請注意以下的注意事項并在最佳的條件下使用產品,我們將對于客戶按自己的判斷而使用石英晶振所導致的不良不負任何責任。
7-1:機械振動的影響
當晶振產品上存在任何給定沖擊或受到周期性機械振動時,比如:壓電揚聲器,壓電蜂鳴器,以及喇叭等,輸出頻率和幅度會受到影響。這種現象對通信器材通信質量有影響。盡管晶振產品設計可最小化這種機械振動的影響,我們推薦事先檢查并按照下列安裝指南進行操作。
7-2:PCB設計指導
(1) 理想情況下,機械蜂鳴器應安裝在一個獨立于晶體器件的PCB板上。如果您安裝在同一個PCB板上,最好使用余量或切割PCB。當應用于PCB板本身或PCB板體內部時,機械振動程度有所不同。建議遵照內部板體特性。
(2) 在設計時請參考相應的推薦封裝。
(3) 在使用焊料助焊劑時,按JIS標準(JIS C 60068-2-20/IEC 60,068-2-20).來使用。
(4) 請按JIS標準(JIS Z 3282, Pb 含量 1000ppm, 0.1wt% 或更少)來使用無鉛焊料。
存儲事項
(1) 在更高或更低溫度或高濕度環境下長時間保存晶振時,會影響頻率穩定性或焊接性。請在正常溫度和濕度環境下保存這些石英晶振產品,并在開封后盡可能進行安裝,以免長期儲藏。
正常溫度和濕度:
溫度:+15°C 至 +35°C,濕度 25 % RH 至 85 % RH(請參閱“測試點JIS C 60068-1 / IEC 60068-1的標準條件”章節內容)。
(2) 請仔細處理內外盒與卷帶。外部壓力會導致卷帶受到損壞。
ECS Inc國際晶振集團重視污染預防,消除偏離程序的行為強調通過員工努力這一最可行的方法持續改進我們經營活動的環境績效.
加強污染防治,減少現有的污染廢棄物以及在未來晶振,陶瓷諧振器, 壓控振蕩器, 石英水晶振蕩子生產制造中所產生的污染.
ECS Inc國際晶振集團所有的經營組織都將積極應用國際標準以及適用的法律法規.為促進合理有效的公共政策的制訂實施加強戰略聯系.
ECS晶振集團以最小化使用危險材料、能源和其它資源為目的進行公司產品及服務的安全生產和使用,并確保回收利用.以防治污染、保存資源的方式進行商務運作,并積極地對以往的環境破壞進行揭露.持續改進,將環境管理與商務運行和決策過程高度集成,規范其行為.不斷進行持續改進的實踐.
深圳市龍湖電子有限公司
服務熱線:86-0755-29952551
手機聯系:136-3294-3514
Q Q聯系:969080538
郵 箱:longhusz@163.com
地 址:深圳市寶安區新安街道安樂社區二街


