頻率:8.00-40.00MHZ
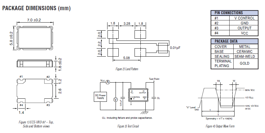
尺寸:7.0*5.0MM
貼片晶振本身體積小,超薄型石英晶體諧振器,特別適用于有目前高速發展的高端電子數碼產品,因為晶振本身小型化需求的市場領域,小型?薄型是對應陶瓷諧振器(偏差大)和普通的石英晶體諧振器(偏差小)的中間領域的一種性價比較出色的產品.產品廣泛用于筆記本電腦,無線電話,衛星導航HDD, SSD, USB, Blu-ray等用途,符合無鉛焊接的高溫回流焊曲線特性.

ECS晶振,貼片晶振,ECS-VXO-97晶振,小型表面貼片晶振型,是標準的石英晶體諧振器,適用于寬溫范圍的電子數碼產品,家電電器及MP3,MP4,播放器,單片機等領域.可對應8.000MHz以上的頻率,在電子數碼產品,以及家電相關電器領域里面發揮優良的電氣特性,滿足無鉛焊接的回流溫度曲線要求.
石英晶振真空退火技術:晶振高真空退火處理是消除貼片晶振在加工過程中產生的應力及輕微表面缺陷。在PLC控制程序中輸入已設計好的溫度曲線,使真空室溫度跟隨設定曲線對晶體組件進行退火,石英晶振通過合理的真空退火技術可提高晶振主要參數的穩定性,以及提高石英晶振的年老化特性。
|
項目
符號
規格說明
條件
輸出頻率范圍
f0
8.00-40.00MHZ
請聯系我們以便獲取其它可用頻率的相關信息
電源電壓
VCC
1.60 V to 3.63 V
請聯系我們以了解更多相關信息
儲存溫度
T_stg
-55℃ to +125℃
裸存
工作溫度
T_use
G: -40℃ to +85℃
請聯系我們查看更多資料http://m.0597lc.cn
H: -40℃ to +105℃
J: -40℃ to +125℃
頻率穩定度
f_tol
J: ±50 × 10-6
L: ±100 × 10-6
T: ±150 × 10-6
功耗
ICC
3.5 mA Max.
無負載條件、最大工作頻率
待機電流
I_std
3.3μA Max.
ST=GND
占空比
SYM
45 % to 55 %
50 % VCC 極, L_CMOS≦15 pF
輸出電壓
VOH
VCC-0.4V Min.
VOL
0.4 V Max.
輸出負載條件
L_CMOS
15 pF Max.
輸入電壓
VIH
80% VCC Max.
ST 終端
VIL
20 % VCC Max.
上升/下降時間
tr / tf
4 ns Max.
20 % VCC to 80 % VCC 極, L_CMOS=15 pF
振蕩啟動時間
t_str
3 ms Max.
t=0 at 90 %
頻率老化
f_aging
±3 × 10-6 / year Max.
+25 ℃, 初年度,第一年
|
|||||||||||||||||||||||||||||||||||||||||||||||||||||||||||||||||||||
|
|
|
|
|
石英晶振自動安裝和真空化引發的沖擊會破壞產品特性并影響這些產品。請設置安裝條件以盡可能將沖擊降至最低,并確保在安裝前未對晶振特性產生影響。條件改變時,請重新檢查安裝條件。同時,在安裝前后,請確保石英晶振產品未撞擊機器或其他電路板等。
每個封裝類型的注意事項
(1)陶瓷包裝晶振與SON產品
在焊接陶瓷封裝晶振和SON產品 (陶瓷包裝是指晶振外觀采用陶瓷制品) 之后,彎曲電路板會因機械應力而導致焊接部分剝落或封裝分裂(開裂)。尤其在焊接這些產品之后進行電路板切割時,務必確保在應力較小的位置布局晶體并采用應力更小的切割方法。
(2)陶瓷包裝石英晶振
在一個不同擴張系數電路板(環氧玻璃)上焊接陶瓷封裝石英晶振時,在溫度長時間重復變化時可能導致端子焊接部分發生斷裂,請事先檢查焊接特性。
(3)柱面式產品
產品的玻璃部分直接彎曲引腳或用力拉伸引腳會導致在引腳根部發生密封玻璃分裂(開裂),也可能導致氣密性和產品特性受到破壞。當石英晶振的引腳需彎曲成下圖所示形狀時,應在這種場景下留出0.5mm的引腳并將其托住,以免發生分裂。當該引腳需修復時,請勿拉伸,托住彎曲部分進行修正。在該密封部分上施加一定壓力,會導致氣密性受到損壞。所以在此處請不要施加壓力。另外,為避負機器共振造成引腳疲勞切斷,建議用粘著劑將產品固在定電路板上。
ECS Inc國際晶振集團重視污染預防,消除偏離程序的行為強調通過員工努力這一最可行的方法持續改進我們經營活動的環境績效.
加強污染防治,減少現有的污染廢棄物以及在未來晶振,陶瓷諧振器, 壓控振蕩器, 石英水晶振蕩子生產制造中所產生的污染.
ECS Inc國際晶振集團所有的經營組織都將積極應用國際標準以及適用的法律法規.為促進合理有效的公共政策的制訂實施加強戰略聯系.
ECS晶振集團以最小化使用危險材料、能源和其它資源為目的進行公司產品及服務的安全生產和使用,并確保回收利用.以防治污染、保存資源的方式進行商務運作,并積極地對以往的環境破壞進行揭露.持續改進,將環境管理與商務運行和決策過程高度集成,規范其行為.不斷進行持續改進的實踐.
深圳市龍湖電子有限公司
服務熱線:86-0755-29952551
手機聯系:136-3294-3514
Q Q聯系:969080538
郵 箱:longhusz@163.com
地 址:深圳市寶安區新安街道安樂社區二街


