頻率:10.000MHz~120.000MHz
尺寸:32*12.7mm
Greenray晶振,貼片晶振,YH1420晶振.插件石英晶振最適合用于比較低端的電子產品,比如兒童玩具,普通家用電器,即使在汽車電子領域中也能使產品高可靠性的使用.并且可用于安全控制裝置的CPU時鐘信號發生源部分,好比時鐘單片機上的石英晶振,在極端嚴酷的環境條件下,晶振也能正常工作,具有穩定的起振特性,高耐熱性,耐熱循環性和耐振性等的高可靠性能,由于在晶體諧振器的底部裝了樹脂底座,就可作為產品電氣特性和高可靠性無受損的表面貼片型晶體諧振器使用,滿足無鉛焊接的回流溫度曲線要求.
超小型表面貼片型SMD晶振,最適合使用在汽車電子領域中,也是特別要求高可靠性的引擎控制用CPU的時鐘部分.
低頻晶振可從7.98MHz起對應,小型,超薄型具備強防焊裂性,石英晶體在極端嚴酷的環境條件下也能發揮穩定的起振特性,產品本身具有耐熱,耐振,耐撞擊等優良的耐環境特性,滿足無鉛焊接以及高溫回流溫度曲線要求,符合AEC-Q200標準.
|
型號 |
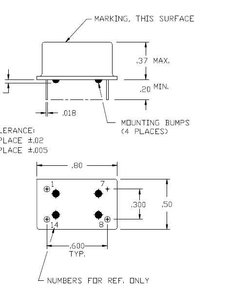
YH1420晶振 |
|
|
輸出頻率范圍 |
10~120MHz |
|
|
標準頻率 |
16.3676MHz/16.367667MHz/16.368MHz/16.369MHz/16.8MHz/26MHz/33.6MHz |
|
|
電源電壓范圍 |
+3.3V+5.0V |
|
|
電源電壓(Vcc) |
+3.3V/+5.0V |
|
|
消耗電流 |
+1.5mA max.(f≦26MHz)/+2.0mA max.(26<f≦52MHz) |
|
|
待機時電流 |
- |
|
|
輸出電壓 |
0.8Vp-p min.(f≦52MHz)(削峰正弦波/DC-coupled) |
|
|
輸出負載 |
10kΩ//10pF |
|
|
頻率穩定度 |
常溫偏差 |
±2.0×10-6 max.(After 2 reflows) |
|
溫度特性 |
±0.2×10-6,±2.5×10-6 max./-40~+85℃ |
|
|
電源電壓特性 |
±0.2×10-6 max.(VCC ±5%) |
|
|
負載變化特性 |
±0.2×10-6 max.(10kΩ//10pF±10%) |
|
|
長期變化 |
±1.0×10-6 max./year |
|
|
頻率控制 |
控制靈敏度 |
- |
|
頻率控制極性 |
- |
|
|
啟動時間 |
2.0ms max. |
|
深圳市龍湖電子有限公司
服務熱線:86-0755-29952551
手機聯系:136-3294-3514
Q Q聯系:969080538
郵 箱:longhusz@163.com
地 址:深圳市寶安區新安街道安樂社區二街


