頻率:1.8432~250MHz
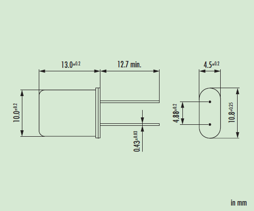
尺寸:10.8×4.5mm

JAUCH晶振,HC49/U晶振,DIP晶振,Jauch晶振集團是石英晶體、晶體振蕩器和電池技術的主要專家之一.公司成立于1954年.Jauch每天都致力于為我們的員工以及我們的晶體振蕩器,有源晶振石英晶振客戶、供應商以及參與我們企業成功的每個人提供最高的公司治理標準.我們按照社會標準和現行法律進行所有活動.我們的基本原則,關于雇員的安全和健康,童工,歧視,公平工資,腐敗,賄賂以及環境保護,都在Jauch集團的行為守則中得到了支持.我們希望每個參與公司成功的人都能遵守這些行政原則。
|
Jauch晶振規格 |
單位 |
HC49/U晶振頻率范圍 |
石英晶振基本條件 |
|
標準頻率 |
f_nom |
1.8432~250MHZ |
標準頻率 |
|
儲存溫度 |
T_stg |
-55°C ~ +125°C |
裸存 |
|
工作溫度 |
T_use |
-40°C ~ +85°C |
標準溫度 |
|
激勵功率 |
DL |
1.0μW Max. |
推薦:1μW ~ 100μW |
|
頻率公差 |
f_— l |
±50 × 10-6 (標準), |
+25°C 對于超出標準的規格說明,請聯系我們以便獲取相關的信息, http://m.0597lc.cn/ |
|
頻率溫度特征 |
f_tem |
±30 × 10-6/-20°C ~ +70°C |
超出標準的規格請聯系我們. |
|
負載電容 |
CL |
7pF |
不同負載要求,請聯系我們. |
|
串聯電阻(ESR) |
R1 |
如下表所示 |
-40°C — +85°C, DL = 100μW |
|
頻率老化 |
f_age |
±5 × 10-6 / year Max. |
+25°C,第一年 |

晶振使用注意事項
機械振動的影響
當石英晶體產品上存在任何給定沖擊或受到周期性機械振動時,比如:壓電揚聲器,壓電蜂鳴器,以及喇叭等,輸出頻率和幅度會受到影響。這種現象對通信器材通信質量有影響。盡管晶體產品設計可最小化這種機械振動的影響,我們推薦事先檢查并按照下列安裝指南進行操作。
存儲事項
(1) 在更高或更低溫度或高濕度環境下長時間保存石英晶體諧振器時,會影響頻率穩定性或焊接性。請在正常溫度和濕度環境下保存這些晶體產品,并在開封后盡可能進行安裝,以免長期儲藏。
正常溫度和濕度:
溫度:+15°C 至 +35°C,濕度 25 % RH 至 85 % RH(請參閱“測試點JIS C 60068-1 / IEC 60068-1的標準條件”章節內容)。
(2) 請仔細處理內外盒與卷帶。外部壓力會導致卷帶受到損壞。
自動安裝時的沖擊
自動安裝和真空化引發的沖擊會破壞產品特性并影響這些產品。請設置安裝條件以盡可能將沖擊降至最低,并確保在安裝前未對石英特性產生影響。條件改變時,請重新檢查安裝條件。同時,在安裝前后,請確保晶體產品未撞擊機器或其他電路板等。JAUCH晶振,HC49/U晶振,DIP晶振
Jauch晶振環保事項:
1.為環境保護和降低成本開發綠色技術.
2.為協調發展,共同參與社會的環境、健康與安全的改善活動.
3.在石英晶體, 石英晶振,有源晶振,壓控振蕩器產品的整個生命周期內確定、評價和改進重要的環境、健康和安全因素.
4.建立和維護以國際協定和國家環境、健康與安全法律法規為基礎的企業內部標準.
5.為防止事故的發生和制造清潔的生產環境,開發生產過程的安全技術,明確緊急狀態反應的職責.
6.嚴格遵守國家有關工程建設法律、法規,不斷提高員工的質量意識和能力,履行合約、信守承諾,堅持開拓創新,不斷提升企業的施工技術素質和質量管理水平,以科學學嚴密的施工管理和真誠的服務讓業主高度滿意.
7.在貼片晶振,壓控振蕩器產品的規劃到制造、運行維修等整個過程中,努力提供環保型的產品和服務.在業務活動中,努力節約資源并節省能源,致力于減少廢棄物和再生資源的回收利用。JAUCH晶振,HC49/U晶振,DIP晶振
深圳市龍湖電子有限公司
服務熱線:86-0755-29952551
手機聯系:136-3294-3514
Q Q聯系:969080538
郵 箱:longhusz@163.com
地 址:深圳市寶安區新安街道安樂社區二街


LFXTAL059611RL3K,伊克德,CFPX-180,耐熱晶振,環保晶振,高頻晶振,數碼產品晶振,計時產品晶振,mp4晶振,出色的抗撞擊性使得它在常規的衰落或運輸過程中的碰撞都不會影響到其性能,-40到85度的運行溫度,高精度高穩定高性能高品質,

LFXTAL053866REEL,48MHz,IQD進口晶振,CFPX-180,環保晶振,高頻晶振,數碼產品晶振,計時產品晶振,mp4晶振,出色的抗撞擊性使得它在常規的衰落或運輸過程中的碰撞都不會影響到其性能,-40到85度的運行溫度,高精度高穩定高性能高品質,