頻率:32.768KHz
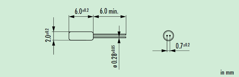
尺寸:2.0*6.0mm

JAUCH晶振,石英晶振,,MMTF32晶振,普通石英晶振,外觀完全使用金屬材料封裝的,產品本身采用全自動石英晶體檢測儀,以及跌落,漏氣等苛刻實驗.產品本身具有高穩定性,高可靠性的石英晶體諧振器,焊接方面支持表面貼裝,外觀采用金屬封裝,具有充分的密封性能,晶振本身能確保其高可靠性,采用編帶包裝,可對應產品應用到自動貼片機高速安裝,滿足無鉛焊接的高溫回流溫度曲線要求.
石英晶振的切割設計:用不同角度對晶振的石英晶棒進行切割,可獲得不同特性的石英晶片,通常我們把晶振的石英晶片對晶棒坐標軸某種方位(角度)的切割稱為石英晶片的切型。不同切型的石英晶片,因其彈性性質,壓電性質,溫度性質不同,其電特性也各異,石英晶振目前主要使用的有 AT 切、BT 切。其它切型還有 CT、DT、GT、NT 等。超小型石英貼片晶振晶片的設計:石英晶片的長寬尺寸已要求在±0.002mm內,由于貼片晶振晶片很小導致晶體的各類寄生波(如長度伸縮振動,面切變振動)與主振動(厚度切變振動)的耦合加強,從而造成如若石英晶振晶片的長度或寬度尺寸設計不正確、使得振動強烈耦合導致石英晶振的晶片不能正常工作,從而導致產品在客戶端不能正常使用,晶振的研發及生產超小型石英晶振完成晶片的設計特別是外形尺寸的設計是首要需解決的技術問題,公司在此方面通過理論與實踐相結合,模擬出一整套此石英晶振晶片設計的計算機程序,該程序晶振的晶片外形尺寸已全面應用并取得很好的效果。
|
Jauch晶振規格 |
單位 |
晶振頻率范圍 |
石英晶振基本條件 |
|
標準頻率 |
f_nom |
32.768KHZ |
標準頻率 |
|
儲存溫度 |
T_stg |
-40°C ~ +125°C |
裸存 |
|
工作溫度 |
T_use |
-40°C ~ +85°C |
標準溫度 |
|
激勵功率 |
DL |
500μW Max. |
推薦:1μW ~ 100μW |
|
頻率公差 |
f_— l |
±50 × 10-6 (標準), |
+25°C 對于超出標準的規格說明,請聯系我們以便獲取相關的信息, http://m.0597lc.cn/ |
|
頻率溫度特征 |
f_tem |
±30 × 10-6/-20°C ~ +70°C |
超出標準的規格請聯系我們. |
|
負載電容 |
CL |
12~32pF |
不同負載要求,請聯系我們. |
|
串聯電阻(ESR) |
R1 |
如下表所示 |
-40°C — +85°C, DL = 100μW |
|
頻率老化 |
f_age |
±5 × 10-6 / year Max. |
+25°C,第一年 |
1:抗沖擊
抗沖擊是指晶振產品可能會在某些條件下受到損壞。例如從桌上跌落,摔打,高空拋壓或在貼裝過程中受到沖擊。如果產品已受過沖擊請勿使用。因為無論何種石英晶振,其內部晶片都是石英晶振制作而成的,高空跌落摔打都會給晶振照成不良影響。
2:輻射
將貼片晶振暴露于輻射環境會導致產品性能受到損害,因此應避免陽光長時間的照射。
3:化學制劑 / pH值環境
請勿在PH值范圍可能導致腐蝕或溶解石英晶振或包裝材料的環境下使用或儲藏這些產品。
4:粘合劑
請勿使用可能導致石英晶振所用的封裝材料,終端,組件,玻璃材料以及氣相沉積材料等受到腐蝕的膠粘劑。(比如,氯基膠粘劑可能腐蝕一個晶振的金屬“蓋”,從而破壞密封質量,降低性能。)
5:鹵化合物
請勿在鹵素氣體環境下使用晶振。即使少量的鹵素氣體,比如在空氣中的氯氣內或封裝所用金屬部件內,都可能產生腐蝕。同時,請勿使用任何會釋放出鹵素氣體的樹脂。
6:靜電
過高的靜電可能會損壞貼片晶振,請注意抗靜電條件。請為容器和封裝材料選擇導電材料。在處理的時候,請使用電焊槍和無高電壓泄漏的測量電路,并進行接地操作。JAUCH晶振,貼片晶振,MMTF32晶振
Jauch晶振環保事項:
Jauch晶振公司的各項能源、資源消耗指標和排放指標達到國內領先、國際先進水平.
實施創新戰略,提高自主創新能力,確保公司可持續發展.實施節約戰略,提高建設節約環保型企業能力,確保實現節能環保規劃目標.
Jauch晶振嚴格遵守國家有關工程建設法律、法規,不斷提高員工的質量意識和能力,履行合約、信守承諾,堅持開拓創新,不斷提升企業的施工技術素質和質量管理水平,以科學學嚴密的施工管理和真誠的服務讓業主高度滿意.JAUCH晶振,貼片晶振,MMTF32晶振
深圳市龍湖電子有限公司
服務熱線:86-0755-29952551
手機聯系:136-3294-3514
Q Q聯系:969080538
郵 箱:longhusz@163.com
地 址:深圳市寶安區新安街道安樂社區二街


LFXTAL059611RL3K,伊克德,CFPX-180,耐熱晶振,環保晶振,高頻晶振,數碼產品晶振,計時產品晶振,mp4晶振,出色的抗撞擊性使得它在常規的衰落或運輸過程中的碰撞都不會影響到其性能,-40到85度的運行溫度,高精度高穩定高性能高品質,

LFXTAL053866REEL,48MHz,IQD進口晶振,CFPX-180,環保晶振,高頻晶振,數碼產品晶振,計時產品晶振,mp4晶振,出色的抗撞擊性使得它在常規的衰落或運輸過程中的碰撞都不會影響到其性能,-40到85度的運行溫度,高精度高穩定高性能高品質,