頻率:33MHZ
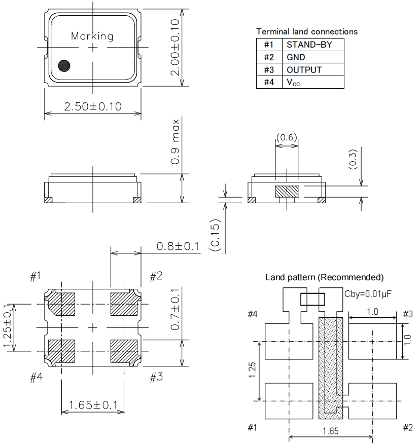
尺寸:2.5x2.0mm
OSC晶振產品非常適合用于移動通信晶振,便攜式設備,筆記本電腦,可視化設備,智能穿戴,游戲設備,娛樂設備等應用場景.NZ2520SF-33MHZ-NSA3468C,NDK便攜式設備晶振,NZ2520SF時鐘振蕩器.
OSC晶振產品非常適合用于移動通信晶振,便攜式設備,筆記本電腦,可視化設備,智能穿戴,游戲設備,娛樂設備等應用場景.NZ2520SF-33MHZ-NSA3468C,NDK便攜式設備晶振,NZ2520SF時鐘振蕩器.
NZ2520SF-33MHZ-NSA3468C,NDK便攜式設備晶振,NZ2520SF時鐘振蕩器 參數表
| Item | Ratings | Notes | |||||||||||||||||||
| min | max | Units | |||||||||||||||||||
| Supply Voltage | -0.5 | +4.0 | V | ||||||||||||||||||
| Input Voltage | -0.5 | VCC +0.5 | V | ||||||||||||||||||
| Output Current | -20 | +20 | mA | ||||||||||||||||||
| Storage Temperature Range | -55 | +125 | 。C | ||||||||||||||||||
| Parameters | SYM | Electrical Spec. | Notes | ||||||||||||||||||
| min | typ | max | Units | ||||||||||||||||||
| Nominal Frequency | fnom |
|
33 |
|
MHz | ||||||||||||||||
| Supply Voltage | VCC | +0.9 to +1.5 | V | ||||||||||||||||||
| Current Consumption (Operating) | ICC | See Table.2 | mA | at 25 。C | |||||||||||||||||
| Current Consumption (Stand-by) | IST | 100 | μA | at 25 。C | |||||||||||||||||
| Output Level | - | CMOS | |||||||||||||||||||
| Load Capacitance | CL | 15 | pF | ||||||||||||||||||
| Operating Temperature Range | Topr | [- 10 to +70] to [-40 to +85] | 。C | Table.1 | |||||||||||||||||
| Overall Frequency Tolerance | Δf/fnom | ± 30 to ± 50 | ppm | Table.1 * 1 | |||||||||||||||||
| Output Voltage | VOL | 0.1 VCC | V | ||||||||||||||||||
| VOH | 0.9 VCC | V | |||||||||||||||||||
| Rise Time(tr), Fall Time(tf) | tr/tf | 5 | ns | 0.1 VCC to 0.9 VCC | |||||||||||||||||
| Symmetry | SYM | 45 | 55 | % | at 1/2 VCC | ||||||||||||||||
| Start-up Time | tsu | 4 | ms | ||||||||||||||||||
| Output Wave Form | - | Square wave | |||||||||||||||||||
| Stand-by Function | #1 PAD input | # 3 PAD output | |||||||||||||||||||
| H level (0.7 VCC to VCC) or open | Operating | ||||||||||||||||||||
| L level (0.3 VCC max) | High impedance | ||||||||||||||||||||
NZ2520SF-33MHZ-NSA3468C,NDK便攜式設備晶振,NZ2520SF時鐘振蕩器 尺寸圖
NZ2520SF-33MHZ-NSA3468C,NDK便攜式設備晶振,NZ2520SF時鐘振蕩器
產品特點:
超低功率驅動(最小+0.8V)石英晶體振蕩器,非常適合移動設備。
小巧輕便。尺寸:2.5 x 2.0 x 0.9毫米,重量:0.02克。
寬頻率范圍(1.5至50 MHz)。
磁帶裝置可實現自動安裝IR回流(無鉛)。
| 進口晶振型號 | Nominal frequency[MHz] | Specification number | Manufacturer | Package size(LxW)[mm] | Output specification | Operating temperature rang[℃] |
| NZ2520SDA | 24MHZ | NSC5083D | NDK晶振 | 2.5x2.0 | CMOS | -40~+85 |
| NZ2520SDA | 24.576MHZ | NSC5083D | NDK晶振 | 2.5x2.0 | CMOS | -40~+85 |
| NZ2520SDA | 25MHZ | NSC5083D | NDK晶振 | 2.5x2.0 | CMOS | -40~+85 |
| NZ2520SDA | 27MHZ | NSC5083D | NDK晶振 | 2.5x2.0 | CMOS | -40~+85 |
| NZ2520SDA | 45.1584MHZ | NSC5083D | NDK晶振 | 2.5x2.0 | CMOS | -40~+85 |
| NZ2520SDA | 48MHZ | NSC5083D | NDK晶振 | 2.5x2.0 | CMOS | -40~+85 |
| NZ2520SDA | 49.152MHZ | NSC5083D | NDK晶振 | 2.5x2.0 | CMOS | -40~+85 |
| NZ2520SDA | 50MHZ | NSC5083D | NDK晶振 | 2.5x2.0 | CMOS | -40~+85 |
| NZ2520SF | 24MHZ | NSA3468E | NDK晶振 | 2.5x2.0 | CMOS | -40~+85 |
| NZ2520SF | 24.54MHZ | NSA3468E | NDK晶振 | 2.5x2.0 | CMOS | -40~+85 |
| NZ2520SF | 25MHZ | NSA3468E | NDK晶振 | 2.5x2.0 | CMOS | -40~+85 |
| NZ2520SF | 26MHZ | NSA3468E | NDK晶振 | 2.5x2.0 | CMOS | -40~+85 |
| NZ2520SF | 27MHZ | NSA3468E | NDK晶振 | 2.5x2.0 | CMOS | -40~+85 |
| NZ2520SF | 33MHZ | NSA3468E | NDK晶振 | 2.5x2.0 | CMOS | -40~+85 |
| NZ2520SF | 33.33MHZ | NSA3468E | NDK晶振 | 2.5x2.0 | CMOS | -40~+85 |
| NZ2520SF | 38.4MHZ | NSA3468E | NDK晶振 | 2.5x2.0 | CMOS | -40~+85 |
| NZ2520SF | 50MHZ | NSA3468E | NDK晶振 | 2.5x2.0 | CMOS | -40~+85 |
| NZ2520SF | 24MHZ | NSA3477E | NDK晶振 | 2.5x2.0 | CMOS | -40~+85 |
| NZ2520SF | 24.54MHZ | NSA3477E | NDK晶振 | 2.5x2.0 | CMOS | -40~+85 |
| NZ2520SF | 25MHZ | NSA3477E | NDK晶振 | 2.5x2.0 | CMOS | -40~+85 |
| NZ2520SF | 26MHZ | NSA3477E | NDK晶振 | 2.5x2.0 | CMOS | -40~+85 |
| NZ2520SF | 27MHZ | NSA3477E | NDK晶振 | 2.5x2.0 | CMOS | -40~+85 |
| NZ2520SF | 33MHZ | NSA3477E | NDK晶振 | 2.5x2.0 | CMOS | -40~+85 |
| NZ2520SF | 33.33MHZ | NSA3477E | NDK晶振 | 2.5x2.0 | CMOS | -40~+85 |
| NZ2520SF | 38.4MHZ | NSA3477E | NDK晶振 | 2.5x2.0 | CMOS | -40~+85 |
| NZ2520SF | 50MHZ | NSA3477E | NDK晶振 | 2.5x2.0 | CMOS | -40~+85 |
| NZ2520SF | 24MHZ | NSA3469E | NDK晶振 | 2.5x2.0 | CMOS | -40~+85 |
| NZ2520SF | 24.54MHZ | NSA3469E | NDK晶振 | 2.5x2.0 | CMOS | -40~+85 |
| NZ2520SF | 25MHZ | NSA3469E | NDK晶振 | 2.5x2.0 | CMOS | -40~+85 |
| NZ2520SF | 26MHZ | NSA3469E | NDK晶振 | 2.5x2.0 | CMOS | -40~+85 |
| NZ2520SF | 27MHZ | NSA3469E | NDK晶振 | 2.5x2.0 | CMOS | -40~+85 |
| NZ2520SF | 33MHZ | NSA3469E | NDK晶振 | 2.5x2.0 | CMOS | -40~+85 |
| NZ2520SF | 33.33MHZ | NSA3469E | NDK晶振 | 2.5x2.0 | CMOS | -40~+85 |
| NZ2520SF | 38.4MHZ | NSA3469E | NDK晶振 | 2.5x2.0 | CMOS | -40~+85 |
| NZ2520SF | 50MHZ | NSA3469E | NDK晶振 | 2.5x2.0 | CMOS | -40~+85 |
| NZ2520SF | 24MHZ | NSA3468C | NDK晶振 | 2.5x2.0 | CMOS | -10~+70 |
| NZ2520SF | 24.54MHZ | NSA3468C | NDK晶振 | 2.5x2.0 | CMOS | -10~+70 |
| NZ2520SF | 25MHZ | NSA3468C | NDK晶振 | 2.5x2.0 | CMOS | -10~+70 |
| NZ2520SF | 26MHZ | NSA3468C | NDK晶振 | 2.5x2.0 | CMOS | -10~+70 |
| NZ2520SF | 27MHZ | NSA3468C | NDK晶振 | 2.5x2.0 | CMOS | -10~+70 |
| NZ2520SF | 33MHZ | NSA3468C | NDK晶振 | 2.5x2.0 | CMOS | -10~+70 |
| NZ2520SF | 33.33MHZ | NSA3468C | NDK晶振 | 2.5x2.0 | CMOS | -10~+70 |
| NZ2520SF | 38.4MHZ | NSA3468C | NDK晶振 | 2.5x2.0 | CMOS | -10~+70 |
| NZ2520SF | 50MHZ | NSA3468C | NDK晶振 | 2.5x2.0 | CMOS | -10~+70 |
| NZ2520SF | 24MHZ | NSA3477C | NDK晶振 | 2.5x2.0 | CMOS | -10~+70 |
| NZ2520SF | 24.54MHZ | NSA3477C | NDK晶振 | 2.5x2.0 | CMOS | -10~+70 |
| NZ2520SF | 25MHZ | NSA3477C | NDK晶振 | 2.5x2.0 | CMOS | -10~+70 |
| NZ2520SF | 26MHZ | NSA3477C | NDK晶振 | 2.5x2.0 | CMOS | -10~+70 |
| NZ2520SF | 27MHZ | NSA3477C | NDK晶振 | 2.5x2.0 | CMOS | -10~+70 |
| NZ2520SF | 33MHZ | NSA3477C | NDK晶振 | 2.5x2.0 | CMOS | -10~+70 |
| NZ2520SF | 33.33MHZ | NSA3477C | NDK晶振 | 2.5x2.0 | CMOS | -10~+70 |
| NZ2520SF | 38.4MHZ | NSA3477C | NDK晶振 | 2.5x2.0 | CMOS | -10~+70 |
| NZ2520SF | 50MHZ | NSA3477C | NDK晶振 | 2.5x2.0 | CMOS | -10~+70 |
| NZ2520SF | 24MHZ | NSA3469C | NDK晶振 | 2.5x2.0 | CMOS | -10~+70 |
| NZ2520SF | 24.54MHZ | NSA3469C | NDK晶振 | 2.5x2.0 | CMOS | -10~+70 |
| NZ2520SF | 25MHZ | NSA3469C | NDK晶振 | 2.5x2.0 | CMOS | -10~+70 |
| NZ2520SF | 26MHZ | NSA3469C | NDK晶振 | 2.5x2.0 | CMOS | -10~+70 |
| NZ2520SF | 27MHZ | NSA3469C | NDK晶振 | 2.5x2.0 | CMOS | -10~+70 |
| NZ2520SF | 33MHZ | NSA3469C | NDK晶振 | 2.5x2.0 | CMOS | -10~+70 |
| NZ2520SF | 33.33MHZ | NSA3469C | NDK晶振 | 2.5x2.0 | CMOS | -10~+70 |
| NZ2520SF | 38.4MHZ | NSA3469C | NDK晶振 | 2.5x2.0 | CMOS | -10~+70 |
| NZ2520SF | 50MHZ | NSA3469C | NDK晶振 | 2.5x2.0 | CMOS | -10~+70 |
| 2725T | 4.096MHZ | NSA6293A | NDK晶振 | 5.0x3.2 | CMOS | -20~+70 |
| 2725T | 10MHZ | NSA6293A | NDK晶振 | 5.0x3.2 | CMOS | -20~+70 |
| 2725T | 12MHZ | NSA6293A | NDK晶振 | 5.0x3.2 | CMOS | -20~+70 |
| 2725T | 12.5MHZ | NSA6293A | NDK晶振 | 5.0x3.2 | CMOS | -20~+70 |
| 2725T | 16MHZ | NSA6293A | NDK晶振 | 5.0x3.2 | CMOS | -20~+70 |
| 2725T | 24MHZ | NSA6293A | NDK晶振 | 5.0x3.2 | CMOS | -20~+70 |
| 2725T | 25MHZ | NSA6293A | NDK晶振 | 5.0x3.2 | CMOS | -20~+70 |
| 2725T | 33MHZ | NSA6293A | NDK晶振 | 5.0x3.2 | CMOS | -20~+70 |
| 2725T | 50MHZ | NSA6293A | NDK晶振 | 5.0x3.2 | CMOS | -20~+70 |
| 2725T | 66.66MHZ | NSA6293A | NDK晶振 | 5.0x3.2 | CMOS | -20~+70 |
| 2725T | 74.25MHZ | NSA6293A | NDK晶振 | 5.0x3.2 | CMOS | -20~+70 |
| 2725T | 100MHZ | NSA6293A | NDK晶振 | 5.0x3.2 | CMOS | -20~+70 |
| 2725T | 125MHZ | NSA6293A | NDK晶振 | 5.0x3.2 | CMOS | -20~+70 |
| 2725T | 4.096MHZ | NSA6293B | NDK晶振 | 5.0x3.2 | CMOS | -10~+70 |
| 2725T | 10MHZ | NSA6293B | NDK晶振 | 5.0x3.2 | CMOS | -10~+70 |
| 2725T | 12MHZ | NSA6293B | NDK晶振 | 5.0x3.2 | CMOS | -10~+70 |
| 2725T | 12.5MHZ | NSA6293B | NDK晶振 | 5.0x3.2 | CMOS | -10~+70 |
| 2725T | 16MHZ | NSA6293B | NDK晶振 | 5.0x3.2 | CMOS | -10~+70 |
| 2725T | 24MHZ | NSA6293B | NDK晶振 | 5.0x3.2 | CMOS | -10~+70 |
| 2725T | 25MHZ | NSA6293B | NDK晶振 | 5.0x3.2 | CMOS | -10~+70 |
| 2725T | 33MHZ | NSA6293B | NDK晶振 | 5.0x3.2 | CMOS | -10~+70 |
| 2725T | 50MHZ | NSA6293B | NDK晶振 | 5.0x3.2 | CMOS | -10~+70 |
| 2725T | 66.66MHZ | NSA6293B | NDK晶振 | 5.0x3.2 | CMOS | -10~+70 |
| 2725T | 74.25MHZ | NSA6293B | NDK晶振 | 5.0x3.2 | CMOS | -10~+70 |
| 2725T | 100MHZ | NSA6293B | NDK晶振 | 5.0x3.2 | CMOS | -10~+70 |
| 2725T | 125MHZ | NSA6293B | NDK晶振 | 5.0x3.2 | CMOS | -10~+70 |
| 2725T | 4.096MHZ | NSA6293F | NDK晶振 | 5.0x3.2 | CMOS | -40~+105 |
| 2725T | 10MHZ | NSA6293F | NDK晶振 | 5.0x3.2 | CMOS | -40~+105 |
| 2725T | 12MHZ | NSA6293F | NDK晶振 | 5.0x3.2 | CMOS | -40~+105 |
| 2725T | 12.5MHZ | NSA6293F | NDK晶振 | 5.0x3.2 | CMOS | -40~+105 |
| 2725T | 16MHZ | NSA6293F | NDK晶振 | 5.0x3.2 | CMOS | -40~+105 |
| 2725T | 24MHZ | NSA6293F | NDK晶振 | 5.0x3.2 | CMOS | -40~+105 |
| 2725T | 25MHZ | NSA6293F | NDK晶振 | 5.0x3.2 | CMOS | -40~+105 |
| 2725T | 33MHZ | NSA6293F | NDK晶振 | 5.0x3.2 | CMOS | -40~+105 |
| 2725T | 50MHZ | NSA6293F | NDK晶振 | 5.0x3.2 | CMOS | -40~+105 |
| 2725T | 66.66MHZ | NSA6293F | NDK晶振 | 5.0x3.2 | CMOS | -40~+105 |
| 2725T | 74.25MHZ | NSA6293F | NDK晶振 | 5.0x3.2 | CMOS | -40~+105 |
| 2725T | 4.096MHZ | NSA6293D | NDK晶振 | 5.0x3.2 | CMOS | -40~+85 |
| 2725T | 10MHZ | NSA6293D | NDK晶振 | 5.0x3.2 | CMOS | -40~+85 |
| 2725T | 12MHZ | NSA6293D | NDK晶振 | 5.0x3.2 | CMOS | -40~+85 |
| 2725T | 12.5MHZ | NSA6293D | NDK晶振 | 5.0x3.2 | CMOS | -40~+85 |
| 2725T | 16MHZ | NSA6293D | NDK晶振 | 5.0x3.2 | CMOS | -40~+85 |
深圳市龍湖電子有限公司
服務熱線:86-0755-29952551
手機聯系:136-3294-3514
Q Q聯系:969080538
郵 箱:longhusz@163.com
地 址:深圳市寶安區新安街道安樂社區二街


