頻率:1.2-40MHz
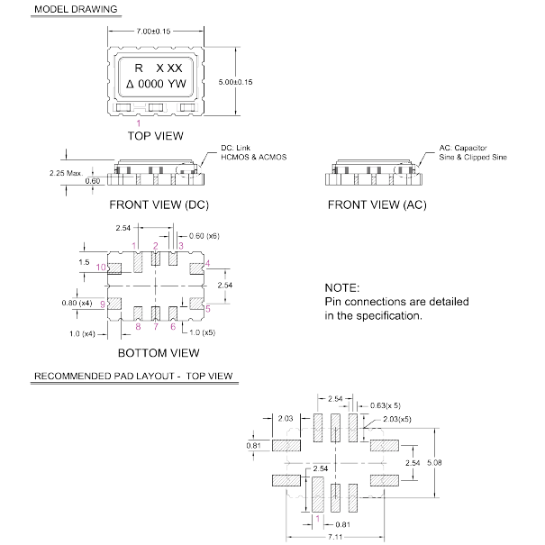
尺寸:7.0*5.0mm
貼片式石英晶體振蕩器,低電壓啟動功率,并且有多種電壓供選擇,比如有1.8V,2.5V,3.3V,3.8V,5V等,產品被廣泛應用于,平板筆記本,GPS系統,光纖通道,千兆以太網,串行ATA,串行連接SCSI,PCI-Express的SDH / SONET發射基站等領域.符合RoHS/無鉛.
瑞康晶振,貼片晶振,CFPT9000晶振,貼片石英晶體,體積小,焊接可采用自動貼片系統,產品本身小型,表面貼片晶振,特別適用于有小型化要求的電子數碼產品市場領域,因產品小型,薄型優勢,耐環境特性,包括耐高溫,耐沖擊性等,在移動通信領域得到了廣泛的應用,晶振產品本身可發揮優良的電氣特性,滿足無鉛焊接的高溫回流溫度曲線要求.
石英晶振多層、多金屬的濺射鍍膜技術:是目前研發及生產高精度、高穩定性石英晶體元器件——石英晶振必須攻克的關鍵技術之一。石英晶振該選用何鍍材、鍍幾種材料、幾種鍍材的鍍膜順序,鍍膜的工藝方法(如各鍍材的功率設計等)。使用此鍍膜方法使鍍膜后的晶振附著力增強,貼片晶振頻率更加集中,能控制在最小ppm之內。
|
項目 |
符號 |
規格說明 |
條件 |
|
輸出頻率范圍 |
f0 |
1.2-40MHz |
請聯系我們以便獲取其它可用頻率的相關信息 |
|
電源電壓 |
VCC |
1.60 V to 3.63 V |
請聯系我們以了解更多相關信息 |
|
儲存溫度 |
T_stg |
-55℃ to +125℃ |
裸存 |
|
工作溫度 |
T_use |
G: -40℃ to +85℃ |
請聯系我們查看更多資料http://m.0597lc.cn |
|
H: -40℃ to +105℃ |
|||
|
J: -40℃ to +125℃ |
|||
|
頻率穩定度 |
f_tol |
J: ±50 × 10-6 |
|
|
L: ±100 × 10-6 |
|||
|
T: ±150 × 10-6 |
|||
|
功耗 |
ICC |
3.5 mA Max. |
無負載條件、最大工作頻率 |
|
待機電流 |
I_std |
3.3μA Max. |
ST=GND |
|
占空比 |
SYM |
45 % to 55 % |
50 % VCC 極, L_CMOS≦15 pF |
|
輸出電壓 |
VOH |
VCC-0.4V Min. |
|
|
VOL |
0.4 V Max. |
|
|
|
輸出負載條件 |
L_CMOS |
15 pF Max. |
|
|
輸入電壓 |
VIH |
80% VCC Max. |
ST 終端 |
|
VIL |
20 % VCC Max. |
||
|
上升/下降時間 |
tr / tf |
4 ns Max. |
20 % VCC to 80 % VCC 極, L_CMOS=15 pF |
|
振蕩啟動時間 |
t_str |
3 ms Max. |
t=0 at 90 % |
|
頻率老化 |
f_aging |
±3 × 10-6 / year Max. |
+25 ℃, 初年度,第一年 |
如何正確的使用有源晶振
電處理:
將電源連接到有源晶振指定的終端,確定正確的極性這目錄所示。注意電源的正負電極逆轉或者連接到一個終端以,以為外的指定一個產品部分內的石英晶振,假如損壞那將不會工作。此外如果外接電源電壓高于晶振的規定電壓值,就很可能會導致石英晶振產品損壞。所以外接電壓很重要,一定要確保使用正確的額定電壓的振蕩,但如果電壓低于額定的電壓值部分產品將會不起振,或者起不到最佳精度。瑞康晶振,貼片晶振,CFPT9000晶振
瑞康晶振環保方針:
瑞康晶振通過產品生命周期提高整體節能貢獻和環境績效的舉措。制造-環境友好生產—優化-提高性能/效率的節能貢獻—通過制造致密/復雜產品減少資源節約—環境消除/減少環境負荷物質—這些是倡議的支柱。
瑞康晶振科技股份有限公司,依據‘ISO 14001環境/OHSAS-18001安衛管理系統’要求制定本‘環境/安衛手冊’,以界定本公司環境/安衛管理系統之范圍,包括任何排除之細節及調整,并指引環境/安衛管理系統與各書面、辦法書之對應關系,包含在環境/安衛管理系統內之流程順序及交互作用的描述。本公司環境/安衛管理系統之適用范圍包含公司所有的活動、產品及服務。瑞康晶振,貼片晶振,CFPT9000晶振
深圳市龍湖電子有限公司
服務熱線:86-0755-29952551
手機聯系:136-3294-3514
Q Q聯系:969080538
郵 箱:longhusz@163.com
地 址:深圳市寶安區新安街道安樂社區二街


