頻率:12.8-155.52MHz
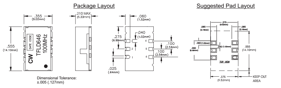
尺寸:14.10*9.02mm
貼片石英晶體,體積小,焊接可采用自動貼片系統,產品本身小型,表面貼片晶振,特別適用于有小型化要求的電子數碼產品市場領域,因產品小型,薄型優勢,耐環境特性,包括耐高溫,耐沖擊性等,在移動通信領域得到了廣泛的應用,晶振產品本身可發揮優良的電氣特性,滿足無鉛焊接的高溫回流溫度曲線要求.
康納溫菲爾德晶振,貼片晶振,TFLD646晶振,康諾-溫菲爾德晶振集團是一家以美國為基礎的電子產品制造商.在1963年公司成立后,connor- winfield主要專注于設計和制造基于石英的計時電路和振蕩器,壓電石英晶體、有源晶體、壓電陶瓷諧振器,用于廣泛的電子應用.在20世紀90年代,connorwinfield擴展到其他產品領域,同時繼續專注于其核心的時間根源.
康諾-溫菲爾德晶振集團的頻率控制產品晶振,石英晶振,有源晶振,壓控振蕩器等廣泛應用于包括電信、局域網、廣域網、計算機、其他微處理器和電子設備等多種應用領域.我們專門設計自定義和半自定義頻率控制產品,但也提供廣泛的標準石英晶體振蕩器產品和非晶體振蕩器.
石英晶振真空退火技術:晶振高真空退火處理是消除貼片晶振在加工過程中產生的應力及輕微表面缺陷。在PLC控制程序中輸入已設計好的溫度曲線,使真空室溫度跟隨設定曲線對晶體組件進行退火,石英晶振通過合理的真空退火技術可提高晶振主要參數的穩定性,以及提高石英晶振的年老化特性。
|
項目 |
符號 |
規格說明 |
條件 |
|
輸出頻率范圍 |
f0 |
12.8-155.52MHz |
請聯系我們以便獲取其它可用頻率的相關信息 |
|
電源電壓 |
VCC |
1.60 V to 3.63 V |
請聯系我們以了解更多相關信息 |
|
儲存溫度 |
T_stg |
-55℃ to +125℃ |
裸存 |
|
工作溫度 |
T_use |
G: -40℃ to +85℃ |
請聯系我們查看更多資料http://m.0597lc.cn |
|
H: -40℃ to +105℃ |
|||
|
J: -40℃ to +125℃ |
|||
|
頻率穩定度 |
f_tol |
J: ±50 × 10-6 |
|
|
L: ±100 × 10-6 |
|||
|
T: ±150 × 10-6 |
|||
|
功耗 |
ICC |
3.5 mA Max. |
無負載條件、最大工作頻率 |
|
待機電流 |
I_std |
3.3μA Max. |
ST=GND |
|
占空比 |
SYM |
45 % to 55 % |
50 % VCC 極, L_CMOS≦15 pF |
|
輸出電壓 |
VOH |
VCC-0.4V Min. |
|
|
VOL |
0.4 V Max. |
|
|
|
輸出負載條件 |
L_CMOS |
15 pF Max. |
|
|
輸入電壓 |
VIH |
80% VCC Max. |
ST 終端 |
|
VIL |
20 % VCC Max. |
||
|
上升/下降時間 |
tr / tf |
4 ns Max. |
20 % VCC to 80 % VCC 極, L_CMOS=15 pF |
|
振蕩啟動時間 |
t_str |
3 ms Max. |
t=0 at 90 % |
|
頻率老化 |
f_aging |
±3 × 10-6 / year Max. |
+25 ℃, 初年度,第一年 |
晶振產品使用每種產品時,請在石英晶振規格說明或產品目錄規定使用條件下使用。因很多種晶振產品性能,以及材料有所不同,所以使用注意事項也有所不同,比如焊接模式,運輸模式,保存模式等等,都會有所差別。
晶振產品的設計和生產直到出廠,都會經過嚴格的測試檢測來滿足它的規格要求。通過嚴格的出廠前可靠性測試以提供高質量高的可靠性的石英晶振.但是為了石英晶振的品質和可靠性,必須在適當的條件下存儲,安 裝,運輸。請注意以下的注意事項并在最佳的條件下使用產品,我們將對于客戶按自己的判斷而使用石英晶振所導致的不良不負任何責任。
7-1:機械振動的影響
當晶振產品上存在任何給定沖擊或受到周期性機械振動時,比如:壓電揚聲器,壓電蜂鳴器,以及喇叭等,輸出頻率和幅度會受到影響。這種現象對通信器材通信質量有影響。盡管晶振產品設計可最小化這種機械振動的影響,我們推薦事先檢查并按照下列安裝指南進行操作。
7-2:PCB設計指導
(1) 理想情況下,機械蜂鳴器應安裝在一個獨立于晶體器件的PCB板上。如果您安裝在同一個PCB板上,最好使用余量或切割PCB。當應用于PCB板本身或PCB板體內部時,機械振動程度有所不同。建議遵照內部板體特性。
(2) 在設計時請參考相應的推薦封裝。
(3) 在使用焊料助焊劑時,按JIS標準(JIS C 60068-2-20/IEC 60,068-2-20).來使用。
(4) 請按JIS標準(JIS Z 3282, Pb 含量 1000ppm, 0.1wt% 或更少)來使用無鉛焊料。
存儲事項
(1) 在更高或更低溫度或高濕度環境下長時間保存晶振時,會影響頻率穩定性或焊接性。請在正常溫度和濕度環境下保存這些石英晶振產品,并在開封后盡可能進行安裝,以免長期儲藏。
正常溫度和濕度:
溫度:+15°C 至 +35°C,濕度 25 % RH 至 85 % RH(請參閱“測試點JIS C 60068-1 / IEC 60068-1的標準條件”章節內容)。
(2) 請仔細處理內外盒與卷帶。外部壓力會導致卷帶受到損壞。康納溫菲爾德晶振,貼片晶振,TFLD646晶振
康納·溫菲爾德晶振公司在所有層面上都致力于滿足石英晶振,貼片晶振, 溫補晶振,石英晶體振蕩器等客戶的所有要求,通過維護我們的ISO 9001質量體系認證,持續改進我們的流程是我們不斷超越客戶期望的承諾.對我們來說,石英晶振,貼片晶振, 石英水晶振蕩子, 壓電石英晶體、有源晶體產品質量不僅僅是一種技術或系統,它是一種無所不包的、毫不妥協的哲學產品,不僅能滿足我們客戶對于晶振,石英晶體的質量要求,而且還能以各種方式超越它們.
康納·溫菲爾德(Connor Winfield)晶振集團致力于以一種全球負責的方式開展企業業務,與對環境敏感的原則相一致.我們明白,我們在維持環境方面發揮著至關重要的作用.因此,我們將積極地減少我們的業務和壓電石英晶體、有源晶體產品對環境的影響.此外,我們向我們的利益攸關方保證,我們符合所有地方、州和聯邦環境法規,而且只要有可能,我們將努力減少我們的業務運作對環境的影響.康納溫菲爾德晶振,貼片晶振,TFLD646晶振
深圳市龍湖電子有限公司
服務熱線:86-0755-29952551
手機聯系:136-3294-3514
Q Q聯系:969080538
郵 箱:longhusz@163.com
地 址:深圳市寶安區新安街道安樂社區二街


