頻率:1.536M~150MHZ
尺寸:11.5X5.0mm
Vectron國際晶振集團是世界領先的晶振,石英晶振,有源晶振,壓控振蕩器頻率控制、傳感器和混合產品解決方案的設計、制造和營銷的領導者,維管晶振采用了從直流到微波頻段的各種最新技術,包括大體積聲波(BAW)和表面聲波.產品包括壓電石英晶體元器件、壓電石英晶體、有源晶體、壓電陶瓷諧振器、和晶體振蕩器;頻率翻譯器;時鐘和數據恢復產品;見濾器;晶體濾波器和用于電信、數據通信、頻率合成器、定時、導航、軍事、航空和儀表系統的組件.
Vectron國際晶振集團是一家產品制造商和解決方案的國際企業,以其獨特的技術領先.Vectron晶振核心競爭力結合了經典的水晶,看到技術和復雜的集成電路和先進的包裝.除了這些極具創新性的能力外,Vectron力求做到極具靈活性,專注于服務,迅速作出反應,專業地幫助客戶創新、改進和發展業務.
Vectron晶振公司總部設在哈德遜,在北美、歐洲和亞洲設有操作設施和銷售辦事處,在水晶振蕩器和濾鏡設計方面都以其技術能力而聞名.公司提供的創新和能力反映了高頻率、低成本設計和小型化的趨勢,以及更先進的綜合解決方案.其中一些關鍵技術包括:ASIC設計、表面安裝技術、陶瓷封裝、混合制造到類“S”、“高頻基礎”(HFF)晶體設計和空間組件能力.
使命宣言
Vectron晶振,石英晶體,VXA1晶振,VXD1晶振插件石英晶振最適合用于比較低端的電子產品,比如兒童玩具,普通家用電器,即使在汽車電子領域中也能使產品高可靠性的使用.并且可用于安全控制裝置的CPU時鐘信號發生源部分,好比時鐘單片機上的石英晶振,在極端嚴酷的環境條件下,晶振也能正常工作,具有穩定的起振特性,高耐熱性,耐熱循環性和耐振性等的高可靠性能.
石英晶振多層、多金屬的濺射鍍膜技術:是目前研發及生產高精度、高穩定性石英晶體元器件——石英晶振必須攻克的關鍵技術之一.石英晶振該選用何鍍材、鍍幾種材料、幾種鍍材的鍍膜順序,鍍膜的工藝方法(如各鍍材的功率設計等).使用此鍍膜方法使鍍膜后的晶振附著力增強,貼片晶振頻率更加集中,能控制在最小ppm之內.
|
Vectron晶振規格 |
單位 |
VXA1晶振頻率范圍 |
石英晶振基本條件 |
|
標準頻率 |
f_nom |
1.536MHZ~150MHZ |
標準頻率 |
|
儲存溫度 |
T_stg |
-40°C ~ +85°C |
裸存 |
|
工作溫度 |
T_use |
-20°C ~ +70°C |
標準溫度 |
|
激勵功率 |
DL |
200μW Max. |
推薦:1μW ~ 100μW |
|
頻率公差 |
f_— l |
±50 × 10-6 (標準), |
+25°C 對于超出標準的規格說明, |
|
頻率溫度特征 |
f_tem |
±30 × 10-6/-20°C ~ +70°C |
超出標準的規格請聯系我們. |
|
負載電容 |
CL |
8pF ,10PF,12PF,20PF |
不同負載電容要求,請聯系我們. |
|
串聯電阻(ESR) |
R1 |
如下表所示 |
-40°C — +85°C, DL = 100μW |
|
頻率老化 |
f_age |
±5 × 10-6 / year Max. |
+25°C,第一年 |
|
Vectron晶振規格 |
單位 |
VXD1晶振頻率范圍 |
石英晶振基本條件 |
|
標準頻率 |
f_nom |
7MHZ~200MHZ |
標準頻率 |
|
儲存溫度 |
T_stg |
-40°C ~ +85°C |
裸存 |
|
工作溫度 |
T_use |
-20°C ~ +70°C |
標準溫度 |
|
激勵功率 |
DL |
200μW Max. |
推薦:1μW ~ 100μW |
|
頻率公差 |
f_— l |
±50 × 10-6 (標準), |
+25°C 對于超出標準的規格說明, |
|
頻率溫度特征 |
f_tem |
±30 × 10-6/-20°C ~ +70°C |
超出標準的規格請聯系我們. |
|
負載電容 |
CL |
8pF ,10PF,12PF,20PF |
不同負載電容要求,請聯系我們. |
|
串聯電阻(ESR) |
R1 |
如下表所示 |
-40°C — +85°C, DL = 100μW |
|
頻率老化 |
f_age |
±5 × 10-6 / year Max. |
+25°C,第一年 |
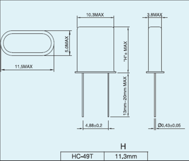
VXA1晶振尺寸圖:
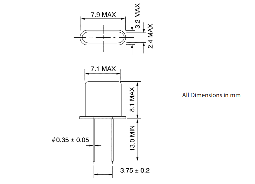
VXD1晶振尺寸圖:
所有產品的共同點
1:抗沖擊
抗沖擊是指晶振產品可能會在某些條件下受到損壞.例如從桌上跌落,摔打,高空拋壓或在貼裝過程中受到沖擊.如果產品已受過沖擊請勿使用.因為無論何種石英晶振,其內部晶片都是石英晶振制作而成的,高空跌落摔打都會給晶振照成不良影響.
2:輻射
將貼片晶振暴露于輻射環境會導致產品性能受到損害,因此應避免陽光長時間的照射.
3:化學制劑 / pH值環境
請勿在PH值范圍可能導致腐蝕或溶解石英晶振或包裝材料的環境下使用或儲藏這些產品.
4:粘合劑
請勿使用可能導致石英晶振所用的封裝材料,終端,組件,玻璃材料以及氣相沉積材料等受到腐蝕的膠粘劑.(比如,氯基膠粘劑可能腐蝕一個晶振的金屬“蓋”,從而破壞密封質量,降低性能.)
5:鹵化合物
請勿在鹵素氣體環境下使用晶振.即使少量的鹵素氣體,比如在空氣中的氯氣內或封裝所用金屬部件內,都可能產生腐蝕.同時,請勿使用任何會釋放出鹵素氣體的樹脂.
6:靜電
過高的靜電可能會損壞貼片晶振,請注意抗靜電條件.請為容器和封裝材料選擇導電材料.在處理的時候,請使用電焊槍和無高電壓泄漏的測量電路,并進行接地操作.
Vectron國際晶振集團環保基本理念:
1.作為良好的企業市民,遵循本公司的行動方針,充分關心維護地球環境.遵守國內外的有關環保法規.
2.保護自然環境,充分關注自然生態等方面的環境保護,維持和保全生物多樣性.Vectron晶振,石英晶體,VXA1晶振,VXD1晶振
3.有效利用資源和能源,認識到資源和能源的有限性,努力進行有效利用.
4為構建循環型社會做出貢獻,致力于減少溫補晶振,石英晶體振蕩器, 壓電石英晶體元器件、壓電石英晶體、有源晶體、石英晶振,貼片晶振材料的廢棄物及廢棄物的再利用核再生循環,努力構建循環型社會.
5.推進環保型業務,充分發揮綜合實力,推進石英晶振,貼片晶振環保型業務,為減輕社會的環境負荷做出貢獻.
6.建立環境管理系統,充分運用環境管理系統,設定環境目的和目標,定期修正,不斷改善,努力預防環境污染.
深圳市龍湖電子有限公司
服務熱線:86-0755-29952551
手機聯系:136-3294-3514
Q Q聯系:969080538
郵 箱:longhusz@163.com
地 址:深圳市寶安區新安街道安樂社區二街

LFXTAL053866REEL,48MHz,IQD進口晶振,CFPX-180,環保晶振,高頻晶振,數碼產品晶振,計時產品晶振,mp4晶振,出色的抗撞擊性使得它在常規的衰落或運輸過程中的碰撞都不會影響到其性能,-40到85度的運行溫度,高精度高穩定高性能高品質,


LFXTAL061486REEL,CFPX-104,伊克德電子,抗撞擊晶振,高端電子產品晶振,30ppm晶振,石英晶體諧振器,mp3晶振,游戲機晶振,電視芯片晶振,智能家居晶振,晶振諧振器,計算機晶振,
質量和客戶是IQD伊克德集團成功的基石,我們的目標是始終如一的滿足客戶的期望,我們不斷的投資以確保我們的石英晶體晶振客戶在我們的業務中達到最高的標準,