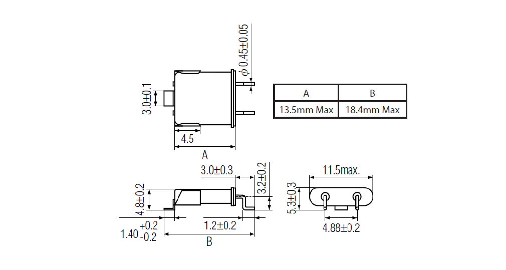
頻率:1.8432M~150MHZ
尺寸:13.2x11.2mm
Vectron國際晶振集團是世界領先的晶振,石英晶振,有源晶振,壓控振蕩器頻率控制、傳感器和混合產品解決方案的設計、制造和營銷的領導者,采用了從直流到微波頻段的各種最新技術,包括大體積聲波(BAW)和表面聲波.產品包括壓電石英晶體元器件、壓電石英晶體、有源晶體、壓電陶瓷諧振器、和晶體振蕩器;頻率翻譯器;時鐘和數據恢復產品;見濾器;晶體濾波器和用于電信、數據通信、頻率合成器、定時、導航、軍事、航空和儀表系統的組件.
Vectron國際晶振集團是一家產品制造商和解決方案的國際企業,以其獨特的技術領先.Vectron晶振核心競爭力結合了經典的水晶,看到技術和復雜的集成電路和先進的包裝.除了這些極具創新性的能力外,Vectron力求做到極具靈活性,專注于服務,迅速作出反應,專業地幫助客戶創新、改進和發展業務.
Vectron晶振公司總部設在哈德遜,在北美、歐洲和亞洲設有操作設施和銷售辦事處,在水晶振蕩器和濾鏡設計方面都以其技術能力而聞名.公司提供的創新和能力反映了高頻率、低成本設計和小型化的趨勢,以及更先進的綜合解決方案.其中一些關鍵技術包括:ASIC設計、表面安裝技術、陶瓷封裝、混合制造到類“S”、“高頻基礎”(HFF)晶體設計和空間組件能力.
Vectron晶振,石英晶體諧振器,VXA7晶振,插件石英晶振最適合用于比較低端的電子產品,比如兒童玩具,普通家用電器,即使在汽車電子領域中也能使產品高可靠性的使用.并且可用于安全控制裝置的CPU時鐘信號發生源部分,好比時鐘單片機上的石英晶振,在極端嚴酷的環境條件下,晶振也能正常工作,具有穩定的起振特性,高耐熱性,耐熱循環性和耐振性等的高可靠性能.
維管晶振的真空封裝技術:是指石英晶振在真空封裝區域內進行封裝.1.防止外界氣體進入組件體內受到污染和增加應力的產生;2.使晶振組件在真空下電阻減小;3.氣密性高.此技術為研發及生產超小型、超薄型石英晶振必須攻克的關鍵技術之一
|
Vectron晶振規格 |
單位 |
VXA7晶振頻率范圍 |
石英晶振基本條件 |
|
標準頻率 |
f_nom |
1.8432MHZ~150MHZ |
標準頻率 |
|
儲存溫度 |
T_stg |
-40°C ~ +85°C |
裸存 |
|
工作溫度 |
T_use |
-20°C ~ +70°C |
標準溫度 |
|
激勵功率 |
DL |
200μW Max. |
推薦:1μW ~ 100μW |
|
頻率公差 |
f_— l |
±50 × 10-6 (標準), |
+25°C 對于超出標準的規格說明, |
|
頻率溫度特征 |
f_tem |
±30 × 10-6/-20°C ~ +70°C |
超出標準的規格請聯系我們. |
|
負載電容 |
CL |
8pF ,10PF,12PF,20PF |
不同負載電容要求,請聯系我們. |
|
串聯電阻(ESR) |
R1 |
如下表所示 |
-40°C — +85°C, DL = 100μW |
|
頻率老化 |
f_age |
±5 × 10-6 / year Max. |
+25°C,第一年 |
所有產品的共同點
1:抗沖擊
抗沖擊是指晶振產品可能會在某些條件下受到損壞.例如從桌上跌落,摔打,高空拋壓或在貼裝過程中受到沖擊.如果產品已受過沖擊請勿使用.因為無論何種石英晶振,其內部晶片都是石英晶振制作而成的,高空跌落摔打都會給晶振照成不良影響.
2:輻射
將貼片晶振暴露于輻射環境會導致產品性能受到損害,因此應避免陽光長時間的照射.
3:化學制劑 / pH值環境
請勿在PH值范圍可能導致腐蝕或溶解石英晶振或包裝材料的環境下使用或儲藏這些產品.
4:粘合劑
請勿使用可能導致石英晶振所用的封裝材料,終端,組件,玻璃材料以及氣相沉積材料等受到腐蝕的膠粘劑.(比如,氯基膠粘劑可能腐蝕一個晶振的金屬“蓋”,從而破壞密封質量,降低性能.)
5:鹵化合物
請勿在鹵素氣體環境下使用晶振.即使少量的鹵素氣體,比如在空氣中的氯氣內或封裝所用金屬部件內,都可能產生腐蝕.同時,請勿使用任何會釋放出鹵素氣體的樹脂.Vectron晶振,石英晶體諧振器,VXA7晶振
6:靜電
過高的靜電可能會損壞貼片晶振,請注意抗靜電條件.請為容器和封裝材料選擇導電材料.在處理的時候,請使用電焊槍和無高電壓泄漏的測量電路,并進行接地操作.
Vectron晶振環境影響的最小化:遵照社會的期望,改進我們的環境行為,我們將通過有效利用森林、能源以及其它資源,減少各種形式的廢物來實現這一承諾.
Vectron晶振環境管理體系:在每一個運行部門,實施支持方針的系統的環境管理工具.我們將確保適當的人力資源和充分的財力保障.每年我們都將建立可測量的環境管理以及行為改進的目標和指標.
環境行為評價:評價我們運行以及員工的環境行為表現,確認支撐著本方針的成績.我們將向我們的員工提供信息,以及能夠將方針與各自工作職責完全結合的培訓.
加強環境意識教育,提高全員環境意識,充分調動職工的積極性,積極使用溫補晶體振蕩器(TCXO)、恒溫晶體振蕩器(OCXO),晶振,石英晶振,有源晶振環保型原材料,減少生產過程中的廢棄物產生量,努力向相關方施加環境影響.
深圳市龍湖電子有限公司
服務熱線:86-0755-29952551
手機聯系:136-3294-3514
Q Q聯系:969080538
郵 箱:longhusz@163.com
地 址:深圳市寶安區新安街道安樂社區二街


