頻率:80.0-120.0MHZ
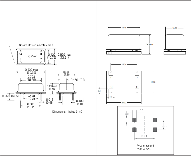
尺寸:13.21*20.83mm
貼片石英晶振最適合用于車載電子領域的小型表面貼片石英晶體諧振器.也可對應有高可靠性要求的引擎控制用CPU的時鐘部分簡稱為時鐘晶體振蕩器,在極端嚴酷的環境條件下也能發揮穩定的起振特性,產品本身具有耐熱,耐振,耐撞擊等優良的耐環境特性,滿足無鉛焊接的回流溫度曲線要求,符合AEC-Q200標準.
維管晶振,貼片晶振,OX-405晶振,小型石英晶振,外觀尺寸為石英晶體諧振器,特別適用于有小型化要求的市場領域,比如智能手機,無線藍牙,平板電腦等電子數碼產品.晶振本身超小型,薄型,重量輕,晶體具有優良的耐環境特性,如耐熱性,耐沖擊性,在辦公自動化,家電相關電器領域及Bluetooth,Wireless LAN等短距離無線通信領域可發揮優良的電氣特性,滿足無鉛焊接的回流溫度曲線要求.
貼片晶振多層、多金屬的濺射鍍膜技術:是目前研發及生產高精度、高穩定性石英晶體元器件——石英晶振必須攻克的關鍵技術之一。石英晶振該選用何鍍材、鍍幾種材料、幾種鍍材的鍍膜順序,鍍膜的工藝方法(如各鍍材的功率設計等)。使用此鍍膜方法使鍍膜后的晶振附著力增強,貼片晶振頻率更加集中,能控制在最小ppm之內。
|
Vectron晶振規格 |
單位 |
晶振頻率范圍 |
石英晶振基本條件 |
|
標準頻率 |
f_nom |
80.0-120.00MHZ |
標準頻率 |
|
儲存溫度 |
T_stg |
-40°C ~ +85°C |
裸存 |
|
工作溫度 |
T_use |
-20°C ~ +70°C |
標準溫度 |
|
激勵功率 |
DL |
200μW Max. |
推薦:1μW ~ 100μW |
|
頻率公差 |
f_— l |
±50 × 10-6 (標準), |
+25°C 對于超出標準的規格說明, |
|
頻率溫度特征 |
f_tem |
±30 × 10-6/-20°C ~ +70°C |
超出標準的規格請聯系我們. |
|
負載電容 |
CL |
8pF ,10PF,12PF,20PF |
不同負載電容要求,請聯系我們. |
|
串聯電阻(ESR) |
R1 |
如下表所示 |
-40°C — +85°C, DL = 100μW |
|
頻率老化 |
f_age |
±5 × 10-6 / year Max. |
+25°C,第一年 |
我們可以改善的頻率輸出的偏差超過范圍由以下幾個方法:
調整外部電容,Cd和CG的值。
如果由頻率計數器測量頻率比目標頻率高,要增加外部電容CL(或Cd以及C 8的值),以降低頻率到我們的目標頻率,反之亦然。
可以采用不同負載電容(CL)的晶振試用。
試用晶振具有較低電容若頻率比目標頻率超高很多的話。
請檢查波形幅度是否是正常或不使用示波器,正確的電容是通過和頻率調節到目標之后。根據該波形振幅收縮,由于增加外部電容,請使用方法2調整頻率(較低的外部電容,并采用低電容的晶體)的情況。
頻率輸出頻率的目標只有三分之一。
晶振具有多種振動模式,如基頻, 3次泛音,5次泛音等等。當基頻模式應用時,晶振的電阻是最低的,這意味著它是最簡單的石英晶體振蕩器。當第三色調模式被應用,一個放大電路必須被利用以降低基本模式的頻率反饋到所述延伸小于所述第三音調模式。因此,如果頻率是只有三分之一的目標頻率時,要檢查是否放大處理電路被施加或它的設定值就足夠了,因為電路的環境適合于基本模式,而不是第三次泛音調模式。
該電路可能不振蕩,如果放大電路不施加或它的設定值是不足夠的。
維管晶振環保方針:
1.作為良好的企業市民,遵循本公司的行動方針,充分關心維護地球環境.遵守國內外的有關環保法規.
2.保護自然環境,充分關注自然生態等方面的環境保護,維持和保全生物多樣性.
3.有效利用資源和能源,認識到資源和能源的有限性,努力進行有效利用.
4為構建循環型社會做出貢獻,致力于減少溫補晶振,石英晶體振蕩器, 壓電石英晶體元器件、壓電石英晶體、有源晶體、石英晶振,貼片晶振材料的廢棄物及廢棄物的再利用核再生循環,努力構建循環型社會.
5.推進環保型業務,充分發揮綜合實力,推進石英晶振,貼片晶振環保型業務,為減輕社會的環境負荷做出貢獻.
6.建立環境管理系統,充分運用環境管理系統,設定環境目的和目標,定期修正,不斷改善,努力預防環境污染.
深圳市龍湖電子有限公司
服務熱線:86-0755-29952551
手機聯系:136-3294-3514
Q Q聯系:969080538
郵 箱:longhusz@163.com
地 址:深圳市寶安區新安街道安樂社區二街


