頻率:4.0~40.0MHZ
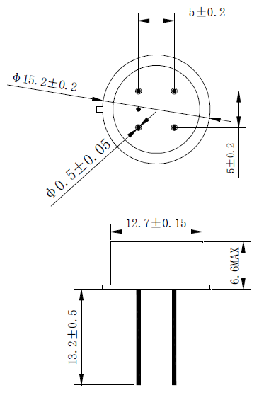
尺寸:15 x 6.5mm
插件石英晶振最適合用于比較低端的電子產品,比如兒童玩具,普通家用電器,即使在汽車電子領域中也能使產品高可靠性的使用.并且可用于安全控制裝置的CPU時鐘信號發生源部分,好比時鐘單片機上的石英晶振,在極端嚴酷的環境條件下,晶振也能正常工作,具有穩定的起振特性,高耐熱性,耐熱循環性和耐振性等的高可靠性能,由于在49/S形晶體諧振器的底部裝了樹脂底座,就可作為產品電氣特性和高可靠性無受損的表面貼片型晶體諧振器使用,滿足無鉛焊接的回流溫度曲線要求.
泰藝晶振,石英晶振,X7晶振,晶振本身超小型,薄型,重量輕,晶體具有優良的耐環境特性,如耐熱性,耐沖擊性,在辦公自動化,家電相關電器領域及Bluetooth,Wireless LAN等短距離無線通信領域可發揮優良的電氣特性,滿足無鉛焊接的回流溫度曲線要求.
貼片晶振晶片邊緣處理技術:貼片晶振是晶片通過滾筒倒邊,主要是為了去除石英晶振晶片的邊緣效應,在實際操作中機器運動方式設計、滾筒的曲率半徑、滾筒的長短、使用的研磨砂的型號、多少、填充物種類及多少等各項設計必須合理,有一項不完善都會使晶振晶片的邊緣效應不能去除,而石英晶振晶片的諧振電阻過大,用在電路中Q值過小,從而電路不能振動或振動了不穩定。
|
泰藝晶振規格 |
單位 |
X6晶振頻率范圍 |
石英晶振基本條件 |
|
標準頻率 |
f_nom |
4.0~40.0MHZ |
標準頻率 |
|
儲存溫度 |
T_stg |
-55°C ~ +125°C |
裸存 |
|
工作溫度 |
T_use |
-40°C ~ +85°C |
標準溫度 |
|
激勵功率 |
DL |
200μW Max. |
推薦:1μW ~ 100μW |
|
頻率公差 |
f_— l |
±50 × 10-6 (標準), |
+25°C 對于超出標準的規格說明, |
|
頻率溫度特征 |
f_tem |
±30 × 10-6/-20°C ~ +70°C |
超出標準的規格請聯系我們. |
|
負載電容 |
CL |
8pF ,10PF,12PF,20PF |
超出標準說明,請聯系我們. |
|
串聯電阻(ESR) |
R1 |
如下表所示 |
-40°C — +85°C, DL = 100μW |
|
頻率老化 |
f_age |
±5 × 10-6 / year Max. |
+25°C,第一年 |
關于沖洗清潔音叉型晶振由于采用小型、薄型的晶振芯片,以及相對而言頻率與超音波清潔器相近,所以會由于共振而容易受到破壞,因此請不要用超音波清潔器來沖洗晶振。 關于機械性沖擊
(1) 從設計角度而言,即使石英晶振從高度75cm處落到硬質木板上三次,按照設計不會發生什么問題,但因落下時的不同條件而異,有可能導致石英芯片的破損。在使之落下或對它施加沖擊之時,在使用之前,建議確認一下振蕩檢查等的條件。
(2) SMD晶振與電阻以及電容器的芯片產品不同,由于在內部對石英晶振晶片進行了密封保護,因此關于在自動安裝時由于沖擊而導致的影響,請在使用之前,懇請貴公司另外進行確認工作。
(3) 請盡量避免將本公司的音叉型晶振與機械性振動源(包括超聲波振動源)安裝到同一塊基板上,不得已要安裝到同一塊基板上時,請確保晶振能正常工作。
泰藝晶振電子自公司成立以來,秉持對環境保護承諾宣言:『還給后代一個干凈的地球』,所有活動應遵從以下政策:
泰藝晶振公司所有活動皆遵循環保法規及承諾,作好綠色設計與生產以及污染預防,減少使用危害環境的原物料,積極節約材料資源,降低對整體環境沖擊的影響,實施相關預防矯正、持續改善作業,落實與維護環境保護,響應全球環保運動。
藉由環境稽核確認環境改善績效,使公司所有活動過程均能達成環境目標及標的,并期望透過泰藝晶振公司全體員工共同努力,貢獻愛護地球的一份心力。泰藝晶振,石英晶振,X7晶振
深圳市龍湖電子有限公司
服務熱線:86-0755-29952551
手機聯系:136-3294-3514
Q Q聯系:969080538
郵 箱:longhusz@163.com
地 址:深圳市寶安區新安街道安樂社區二街

LFXTAL053866REEL,48MHz,IQD進口晶振,CFPX-180,環保晶振,高頻晶振,數碼產品晶振,計時產品晶振,mp4晶振,出色的抗撞擊性使得它在常規的衰落或運輸過程中的碰撞都不會影響到其性能,-40到85度的運行溫度,高精度高穩定高性能高品質,

