頻率:10.000MHz~300.000MHz
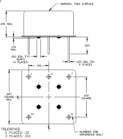
尺寸:20.50*20.50mm
Greenray晶振,插件TCXO振蕩器,T1170晶振.產品本身帶溫度補償作用的晶體振蕩器,該體積產品最適合于GPS,以及衛星通訊系統,智能電話等多用途的高穩定的頻率溫度特性晶振.為對應低電源電壓的產品.(DC+3.3V~+5.0V對應IC可能),無鉛產品.滿足無鉛焊接的回流溫度曲線要求,具備優良的耐環境特性及高耐熱性強.
格林雷石英晶振多層、多金屬的濺射鍍膜技術:是目前研發及生產高精度、高穩定性石英晶體元器件——石英晶振必須攻克的關鍵技術之一。石英晶振該選用何鍍材、鍍幾種材料、幾種鍍材的鍍膜順序,鍍膜的工藝方法(如各鍍材的功率設計等)。使用此鍍膜方法使鍍膜后的晶振附著力增強,貼片晶振頻率更加集中,能控制在最小ppm之內。
|
型號 |
T1170晶振(TCXO) |
|
|
輸出頻率范圍 |
10~300MHz |
|
|
標準頻率 |
16.3676MHz/16.367667MHz/16.368MHz/16.369MHz/16.8MHz/26MHz/33.6MHz |
|
|
電源電壓范圍 |
+3.3~+5.0V |
|
|
電源電壓(Vcc) |
+3.3V/+5.0V |
|
|
消耗電流 |
+1.5mA max.(f≦26MHz)/+2.0mA max.(26<f≦52MHz) |
|
|
待機時電流 |
- |
|
|
輸出電壓 |
0.8Vp-p min.(f≦52MHz)(削峰正弦波/DC-coupled) |
|
|
輸出負載 |
10kΩ//10pF |
|
|
頻率穩定度 |
常溫偏差 |
±3.0×10-6 max.(After 2 reflows) |
|
溫度特性 |
±4.0×10-6,±2.5×10-6 max./-40~+85℃ |
|
|
電源電壓特性 |
±1.0×10-6 max.(VCC ±5%) |
|
|
負載變化特性 |
±0.2×10-6 max.(10kΩ//10pF±10%) |
|
|
長期變化 |
±1.0×10-6 max./year |
|
|
頻率控制 |
控制靈敏度 |
- |
|
頻率控制極性 |
- |
|
|
啟動時間 |
2.0ms max. |
|
深圳市龍湖電子有限公司
服務熱線:86-0755-29952551
手機聯系:136-3294-3514
Q Q聯系:969080538
郵 箱:longhusz@163.com
地 址:深圳市寶安區新安街道安樂社區二街

小型SMD有源晶振,從最初超大體積到現在的7050mm,6035mm,5032mm,3225mm,2520mm體積,有著翻天覆地的改變,體積的變小也試產品帶來了更高的穩定性能,接縫密封石英晶體振蕩器,精度高,覆蓋頻率范圍寬的特點,SMD高速自動安裝和高溫回流焊設計,Optionable待機輸出三態輸出功能,電源電壓范圍:1.8V?5 V,高穩定性,低抖動,低功耗,主要應用領域:無線通訊,高端智能手機,平板筆記本WLAN,藍牙,數碼相機,DSL和其他IT產品的晶振應用,三態功能,PC和LCDM等高端數碼領域,符合RoHS/無鉛.

溫補晶振(TCXO),是目前有源晶振中體積最小的一款,產品本身帶溫度補償作用的晶體振蕩器,該體積產品最適合于GPS,以及衛星通訊系統,智能電話等多用途的高穩定的頻率溫度特性晶振.為對應低電源電壓的產品.(DC+1.8V ± 0.1V to +2.9V ± 0.1V 對應IC可能) 高度:最高0.8 mm,體積:0.0022 cm3,重量:0.008 g,超小型,輕型.低消耗電流,表面貼片型產品.(可對應回流焊)無鉛產品.滿足無鉛焊接的高溫回流溫度曲線要求,帶有AFC(頻率控制)功能,Enable/Disable功能,產品本身可根據使用需要進行選擇.

溫補晶振(TCXO),是目前有源晶振中體積最小的一款,產品本身帶溫度補償作用的晶體振蕩器,該體積產品最適合于GPS,以及衛星通訊系統,智能電話等多用途的高穩定的頻率溫度特性晶振.為對應低電源電壓的產品.(DC+1.8V ± 0.1V to +2.9V ± 0.1V 對應IC可能) 高度:最高0.8 mm,體積:0.0022 cm3,重量:0.008 g,超小型,輕型.低消耗電流,表面貼片型產品.(可對應回流焊)無鉛產品.滿足無鉛焊接的高溫回流溫度曲線要求,帶有AFC(頻率控制)功能,Enable/Disable功能,產品本身可根據使用需要進行選擇.