Greenray晶振,DIP型溫補晶振,T1300晶振.CMOS輸出,輸出頻率10MHz到50MHz之間,出色的低相位噪聲和抖動,三態功能,應用:SDH/ SONET,以太網,基站,筆記本晶振應用,符合RoHS/無鉛.產品本身具有溫度補償作用,高低溫度穩定性:頻率精度高+/-2.0PPM,被廣泛應用到一些比較高端的數碼通訊產品領域,GPS全球定位系統,智能手機,WiMAX和蜂窩和無線通信等產品,符合RoHS/無鉛.
格林雷石英晶振高精度晶片的拋光技術:貼片晶振是目前晶片研磨技術中表面處理技術的最高技術,最終使晶振晶片表面更光潔,平行度及平面度更好,降低諧振電阻,提高Q值。從而達到一般研磨所達不到的產品性能,使石英晶振的等效電阻等更接近理論值,使貼片振蕩器可在更低功耗下工作。使用先進的牛頓環及單色光的方法去檢測晶片表面的狀態。
|
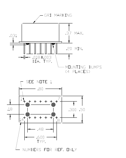
型號 |
T1300晶振 (TCXO) |
|
|
輸出頻率范圍 |
10~50MHz |
|
|
標準頻率 |
16.3676MHz/16.367667MHz/16.368MHz/16.369MHz/16.8MHz/26MHz/33.6MHz |
|
|
電源電壓范圍 |
+3.3V+5.0V |
|
|
電源電壓(Vcc) |
+3.3V/+5.0V |
|
|
消耗電流 |
+1.5mA max.(f≦26MHz)/+2.0mA max.(26<f≦52MHz) |
|
|
待機時電流 |
- |
|
|
輸出電壓 |
0.8Vp-p min.(f≦52MHz)(削峰正弦波/DC-coupled) |
|
|
輸出負載 |
10kΩ//10pF |
|
|
頻率穩定度 |
常溫偏差 |
±2.0×10-6 max.(After 2 reflows) |
|
溫度特性 |
±0.2×10-6,±2.5×10-6 max./-40~+85℃ |
|
|
電源電壓特性 |
±0.2×10-6 max.(VCC ±5%) |
|
|
負載變化特性 |
±0.2×10-6 max.(10kΩ//10pF±10%) |
|
|
長期變化 |
±1.0×10-6 max./year |
|
|
頻率控制 |
控制靈敏度 |
- |
|
頻率控制極性 |
- |
|
|
啟動時間 |
2.0ms max. |
|
Greenray石英晶振環保環境與發展對策:實行可持續發展戰略.采取有效措施,防治工業污染.提高能源利用效率,改善能源結構.運用經濟手段保護環境.大力推進科技進步,加強環境科學研究,積極發展環境保護插件型溫補晶體振蕩器產業.健全環境法規,強化環境管理.加強環境教育,不斷提高環境意識.
所有的經營組織都將積極應用國際標準以及適用的法律法規.為促進合理有效的公共政策的制訂實施加強戰略聯系.
Greenray格林雷晶振集團保持就健康安全環境問題與臨近攝取進行對話.通過在環境控制方面實施優秀的管理實踐,以保護環境和全球運作相關的自然資源.向員工灌輸環境價值觀,在所有的晶振,石英晶振,有源晶振,長方形插件鐘振,壓控振蕩器產品和生產過程中應用最佳環境實用技術,為全球可持續發展做出貢獻.
Greenray晶振重視污染預防,消除偏離程序的行為強調通過員工努力這一最可行的方法持續改進我們經營活動的環境績效. Greenray晶振,DIP型溫補晶振,T1300晶振
Greenray晶振將持續的環境、健康和安全方面的改進、污染預防和員工的努力納入日常運行當中.加強污染防治,減少現有的污染廢棄物以及在未來晶體諧振器、DIP型有源晶振、普通晶體振蕩器(SPXO),石英晶振生產制造中所產生的污染.
深圳市龍湖電子有限公司
服務熱線:86-0755-29952551
手機聯系:136-3294-3514
Q Q聯系:969080538
郵 箱:longhusz@163.com
地 址:深圳市寶安區新安街道安樂社區二街

小型SMD有源晶振,從最初超大體積到現在的7050mm,6035mm,5032mm,3225mm,2520mm體積,有著翻天覆地的改變,體積的變小也試產品帶來了更高的穩定性能,接縫密封石英晶體振蕩器,精度高,覆蓋頻率范圍寬的特點,SMD高速自動安裝和高溫回流焊設計,Optionable待機輸出三態輸出功能,電源電壓范圍:1.8V?5 V,高穩定性,低抖動,低功耗,主要應用領域:無線通訊,高端智能手機,平板筆記本WLAN,藍牙,數碼相機,DSL和其他IT產品的晶振應用,三態功能,PC和LCDM等高端數碼領域,符合RoHS/無鉛.

溫補晶振(TCXO),是目前有源晶振中體積最小的一款,產品本身帶溫度補償作用的晶體振蕩器,該體積產品最適合于GPS,以及衛星通訊系統,智能電話等多用途的高穩定的頻率溫度特性晶振.為對應低電源電壓的產品.(DC+1.8V ± 0.1V to +2.9V ± 0.1V 對應IC可能) 高度:最高0.8 mm,體積:0.0022 cm3,重量:0.008 g,超小型,輕型.低消耗電流,表面貼片型產品.(可對應回流焊)無鉛產品.滿足無鉛焊接的高溫回流溫度曲線要求,帶有AFC(頻率控制)功能,Enable/Disable功能,產品本身可根據使用需要進行選擇.

溫補晶振(TCXO),是目前有源晶振中體積最小的一款,產品本身帶溫度補償作用的晶體振蕩器,該體積產品最適合于GPS,以及衛星通訊系統,智能電話等多用途的高穩定的頻率溫度特性晶振.為對應低電源電壓的產品.(DC+1.8V ± 0.1V to +2.9V ± 0.1V 對應IC可能) 高度:最高0.8 mm,體積:0.0022 cm3,重量:0.008 g,超小型,輕型.低消耗電流,表面貼片型產品.(可對應回流焊)無鉛產品.滿足無鉛焊接的高溫回流溫度曲線要求,帶有AFC(頻率控制)功能,Enable/Disable功能,產品本身可根據使用需要進行選擇.